| ³Æµù |
|---|
|
¨Ï¥Î¦¹¶µ¸ê°T¤Î¨ä¤ä´©²£«~¤§«e¡A½Ð°È¥²¥ý¾\Ū"¦w¥þ¸ê°T" ¤Îªþ¿ý A. "ª`·N¨Æ¶µ"¡C |
²Ä¤@ª© (1998 ¦~ 5 ¤ë)
¦¹ª©¥»¨Ñ IBM 8242 ¤A¤Óºô¸ô®à¤W«¬¶°½u¾¹²Ä¤@ª©¨Ï¥Î¡C
¦p»ÝqÁÊ IBM ®ÑÄy¡A½Ð³z¹LIBM ·~°È¤Hû©Î·í¦a¤À¤½¥q¡C¤U¦C¦a§}¨ÃµL®ÑÄyªº®w¦s¡C
¥»®Ñ«á±ªþ¦³ÅªªÌ·N¨£ªí¡C ¦pªG¸Óªí¤w³Q²¾°£¡A±z¥i¥H±N·N¨£¥H¶l±H¤è¦¡±H¦Ü :
IBM ¤¤¤å§Þ¬ã¤¤¤ß ¥x¥_¥«°ò¶©¸ô¤@¬q 206 ¸¹ 17 ¼Ó
·í IBM ¦¬¨ì¸ê°T®É¡AIBM ±o¥H±Ä¥Î¥¦»{¬°¦X¾Aªº¥ô¦ó¤è¦¡¡A¨Ó¨Ï¥Î©Îµo§G¦¹¤@¸ê°T¡A ¦Ó¤ð¶·¹ï±zºÉ¥ô¦ó¸q°È¡C
© Copyright International Business Machines Corporation 1998. All rights reserved.
Note to U.S. government Users -- Documentation related ...
²Ä 2 ³¹ ¦w¸Ë¡u¤A¤Óºô¸ô®à¤W«¬¶°½u¾¹¡v
²Ä 3 ³¹ ¤A¤Óºô¸ô®à¤W«¬¶°½u¾¹ªººÃÃø±Æ¸Ñ
1-1. IBM 8242 ¤A¤Óºô¸ô®à¤W«¬¶°½u¾¹ 008 «¬
1-2. IBM 8242 ¤A¤Óºô¸ô®à¤W«¬¶°½u¾¹ 016 «¬
1-3. ¶¥¦¡±Æ¦C¤A¤Óºô¸ô®à¤W«¬¶°½u¾¹
1-4. ¤A¤Óºô¸ô®à¤W«¬¶°½u¾¹ 016 «¬ªº«á¤è±ªO
1-5. ¤A¤Óºô¸ô®à¤W«¬¶°½u¾¹ 016 «¬ªº¿O¸¹
2-1. ¦bÀð¤W¸Ë¸ü¡u¤A¤Óºô¸ô®à¤W«¬¶°½u¾¹¡v
2-2. ¾÷«¬ 008 ªºª½¬y¹q¹q·½½u©T©w§¨
2-3. ¨Ï¥Î¤@±øª½³q¹qÆl
2-4. ¨Ï¥Îª½³q¹qÆl¤Î«Ø¸m½u¸ô
2-5. ³s±µ AUI ¹qÆl (¾÷«¬ 016)
2-6. ±À°Ê AUI ³s±µ°ð¤Wªº·Æ°Ê¦¡¬Âê (¶È 016 ¾÷«¬)
3-1. IBM 8242 ¤A¤Óºô¸ô®à¤W«¬¶°½u¾¹ªº¿O¸¹
4-1. 016 «¬ªºÃìµ²°Ï¬q¤Î AUI ¹qÆl
4-2. ¥]§t¦h«°Ï¬q¤Î¶°½u¾¹ªººô¸ô
4-3. ¥Î³æ¤@ 008 ¾÷«¬¨Ó«Ø¸m 10BASE-T ºô¸ô
4-4. ¥Î¶¥¦¡±Æ¦Cªº¡u¤A¤Óºô¸ô®à¤W«¬¶°½u¾¹¡v¨Ó«Ø¸m 10BASE-T ºô¸ô
4-5. ¦b¦³¦P¶b¹qÆl°Ï¬q¤§ºô¸ô¤¤ªº¡u¤A¤Óºô¸ô®à¤W«¬¶°½u¾¹ 016 «¬¡v
4-6. ¦b¦³ 10BASE-F ¤Î¦P¶b¹qÆl°Ï¬q¤§ºô¸ô¤¤ªº¡u¤A¤Óºô¸ô®à¤W«¬¶°½u¾¹ 016 «¬¡v
4-7. ¦b¦³ 10BASE-F °Ï¬q¤§ºô¸ô¤¤ªº¡u¤A¤Óºô¸ô®à¤W«¬¶°½u¾¹ 016 «¬¡v
4-8. ¦³¤Î¨S¦³½u¸ô²°ªº¹qÆl¦w¸Ë
4-9. ª½³q¹qÆl¤¤ªº½u¸ô
4-10. ¥æ¤e¹qÆl¤¤ªº½u¸ô
4-11. 10BASE-T ªº RJ-45 ¼Ò²Õ´¡ÀY
4-12. ¤A¤Óºô¸ô®à¤W«¬¶°½u¾¹ 016 «¬³s±µ¦Ü¤£¦Pªº¹qÆl¦w¸Ë«¬Ãþ
4-13. ¤A¤Óºô¸ô®à¤W«¬¶°½u¾¹ 016 «¬ AUI ³s±µ°ð
1-1. ¿O¸¹»¡©ú
3-1. ¯gÔ¡B¿O¸¹ª¬ºA¤Î«ØÄ³µ{§Ç
4-1. UTP Ãìµ²°Ï¬qªº¹qÆl¦w¸Ë³W®æ
4-2. STP Ãìµ²°Ï¬qªº¹qÆl¦w¸Ë³W®æ
4-3. STP Ãìµ²°Ï¬qªº¹qÆl¦w¸Ë³W®æ
4-4. ¤A¤Óºô¸ô®à¤W«¬¶°½u¾¹ AUI ³s±µ°ð±µÀYªº PIN «ü©w
Danger: Before you begin to install this product,
read the
safety information in Caution: Safety Information-Read This
First, SD21-0030. This booklet describes safe procedures for cabling and
plugging in electrical equipment.
Gevarr: Voodrat u begint met de installatie van dit
produkt, moet u
eerst de veiligheidsinstructies lezen in de brochure PAS OP!
Veiligheidsinstructies-Lees dit eerst, SD21-0030. Hierin wordt
beschreven hoe u electrische apparatuur op een veilige manier moet bekabelen
en aansluiten
Danger: Avant de procéder à l'nstallation
de ce produit,
lisez d'abord les consignes de sécurité dans la brochure
ATTENION: Consignes de sécurité-A lire au préalable,
SD21-0030. Cette brochure décrit les procédures pour câbler et
connecter les appareils électriques en toute sécurité.
Perigo: Antes de iniciar a instalação deste
produto, leia as
informações de segurança Cuidado: Informações de
Segurança-Leia Primeiro, SD21-0030. Este documento descreve como
efectuar,de um modo seguro, as ligações eléctricos equipmentos.



Fare! Før du installerer dette produktet, skal
du læse
sikkerhedsforskrifterne i NB: Sikkerhedsforskrifter - Læs
dette først SD21-0030. Vejledningen beskriver den fremgangsmåde, du sal
bruge ved tilslutning af kabler og udstyr.
Gevarr: Voodrat u begint met de installatie van
dit produkt, moet u
eerst de veiligheidsinstructies lezen in de brochure PAS OP!
Veiligheidsinstructies-Lees dit eerst, SD21-0030. Hierin wordt
beschreven hoe u electrische apparatuur op een veilige manier moet bekabelen
en aansluiten
VARRA: Ennen kuin aloitat tämän tuotteen
asennuksen, lue
julkaisussa Varoitus: Turvaohjeet-Lue tämä ensin, SD21-030,
olevat turvaohjeet. Tässä kirjasessa on ohjeet siitä,
mitensähkölaitteet kaapeloidaan ja kytketään turvallisesti.
Danger : Avant d'installer le présent produit,
consultez le
livret Attention: Informations pour la sécurité-Lisez-moi
d'abord, SD21-0030, qui décrit les procédures à respecter pour
effectuer les opérations de câblage et brancher les équipments
électriques en toute sécurité.
Vorsicht: Bevor mit der Installation des Produktes
begonnen wird, die
Sicherheitshinweise in Achtung: Sicherheitsinformationen-Bitte
zuerst lesen, IBM Form SD21-0030. Diese Veröffentilchung beschreibt die
Sicherheit-svorkehrungen für das Verkabien und Anschließen elektrischer
Geräte.

Vigyázat: Mielôtt megkezdi a berendezés
üzembe
helyezését, olvassa el a Caution: Safety Information-Read
This First, SD21-0030 könyvecskében leírt biztonsági
információkat. Ez a könyv leírja, miyen biztonsági
intézkedéseket kell megtenni az elektromos berendezés huzalozáskor
illetve csatlakoztatásakor.
Pericolo: prima di iniziare l'installazione di
questo prodotto,
leggere le informazioni relatie alla sicurezza riportate nell'opuscolo
Attenzion: Informazioni di sicurezza-Prime informazioni da
leggere in cui sono descritte le procdure per il cablaggio ed il collegamento
di apparecchiature elettriche.



Fare: Før du begynner å installere dette
produktet, må du
lese sikkeretsinformasjone i Advarsel: Sikkerhetsinformasjon -
Les dette forst, SD21-0030 som beskriver skkerhetsrutinene for kabling og
tikobling av elektrisk utstyr.

Perigo: Antes de iniciar a instalação deste
produto, leia as
informações de segurança Cuidado: Informações de
Segurança-Leia Primeiro, SD21-0030. Este documento descreve como
efectuar, de um modo seguro, as ligações eléctricos equipmentos.


.

Peligro: Antes de empezar a instalar este producto,
lea la
información de seguridad en Atención: Información de
Seguridad-Leia Primeiro, SD21-0030. Este documento describe los
proced-imientos de seguridad para cablear y enchufar equipos eléctricos.
Varning -- livsfars: Innan du börja
installera den här
produkten bör du läsa säkerhetsinformtion i dokumente Varning:
Säkerhetsforeskrifter - Läs detta först, SD21-0030. Där
beskrivs hur du på ett säkert satt ansluter elektrisk

¥»®Ñ´£¨Ñ³W¹º¡B¦w¸Ë¤Î¨Ï¥Î IBM ¤A¤Óºô¸ô®à¤W«¬¶°½u¾¹ 8242 008 «¬¤Î 016 «¬ªº¸ê°T¡C
¦¹®Ñ¥Dn´£¨Ñt³d³W¹º»P¦w¸Ë 8242 ¤A¤Óºô¸ô®à¤W«¬¶°½u¾¹ªº¤Hû¨Ï¥Î¡C
¦¹®Ñ¥]§t¤U¦C³¡¥÷ :
¦b¥»¤â¥U¤¤¡A ¡u¤A¤Óºô¸ô®à¤W«¬¶°½u¾¹¡v®M¥ó¥]§t¤U¦C¶µ¥Ø¡G
Y¦³¥ô¤@¶µ¥Ø¯Ê·l¡A½ÐÁpµ¸±zªº·í¦a¨ÑÀ³°Ó¡C
¡u¤A¤Óºô¸ô®à¤W«¬¶°½u¾¹¡v¬° 10BASE-T ¤u§@¸s²Õ¶°½u¾¹¡C ¤u§@¸s²Õ¶°½u¾¹¤]¥i§@¬°Âàµo¾¹ªº°Ñ¦Ò¡C ¡u¤A¤Óºô¸ô®à¤W«¬¶°½u¾¹¡v²Å¦X IEEE 802.3 10BASE-T (10BASE-T) ¤¤ªºÂàµo¾¹³W®æ¡C ¦b³N»y¤¤ªº "T" ¥Nªí¥Î¨Ó³s±µºô¸ô¤¤ªº¸Ë¸m¤§¥¼¹jÂ÷ªºÂùµ±½u ( UTP)¡B¸g¹jÂ÷ªºÂùµ±½u ( STP) ©Î¥]ª÷Äݺ䪺Âùµ±½u (FTP) ¡C ¹Ï 1-1 ¥H¹Ï¨Ò»¡©ú IBM 8242 ¤A¤Óºô¸ô®à¤W«¬¶°½u¾¹ 008 «¬¡C ¹Ï 1-2 ¥H¹Ï¨Ò»¡©ú IBM 8242 ¤A¤Óºô¸ô®à¤W«¬¶°½u¾¹ 016 «¬¡C ¨Ï¥Î¡u¤A¤Óºô¸ô®à¤W«¬¶°½u¾¹¡v¥iÅý±z«Ø¸m¤p«¬ªº 10BASE-T ºô¸ô¡C ±z¤]¥i¥H±N¨º¨Ç 10BASE-T ºô¸ô³s±µ¨ì¤U¦C«¬Ãþªº IEEE 802.3 ºô¸ô°Ï¬q¡A ¨C¤@ºØ³£¨Ï¥Î¤£¦P«¬Ãþªº¹qÆl¦w¸Ë ¡G
AUI ¤¶±³s±µªº¬ÛÃö¸ê°T¡A½Ð°Ñ¾\¹Ï 1-4¡C
¹Ï 1-1. IBM 8242 ¤A¤Óºô¸ô®à¤W«¬¶°½u¾¹ 008 «¬
![]() |
¹Ï 1-2. IBM 8242 ¤A¤Óºô¸ô®à¤W«¬¶°½u¾¹ 016 «¬
![]() |
¶°½u¾¹¯S©Ê¥]§t¡G
³o¨Ç³s±µ°ð¥iÅý±z¨Ï¥Î 008 «¬¨Ó«Ø¸m¤G¦Ü¤K¶µ¸Ë¸mªº 10BASE-T ºô¸ô (¨Ò¦p¡AÓ¤H¹q¸£¡B¦øªA¾¹¡B¦Lªí¾÷¤Î¾P°âÂI²×ºÝ¾÷)¡A ©Î¬O¥Î 016 «¬¨Ó«Ø¸m¤G¦Ü¤Q¤»¶µ¸Ë¸m¡C¨C¤@¶µ¸Ë¸m³£¬O¥H UTP ¹qÆl¨Ó³s±µ¦Ü¶°½u¾¹¡A UTP ¹qÆl³Ì¦h¥i¹F 100 m (328 ft.) ªø¡C
¹Ï 1-1 ¤Î ¹Ï 1-2 ¥iÅã¥Ü¶°½u¾¹±ªO¤Wªº 10BASE-T ³s±µ°ð¡C ©Ò¦³ªº 10BASE-T ³s±µ°ð (¼Ð¦³ "MDI" ªº³s±µ°ð°£¥~) ¬Ò¬°¡u¤¤«×¬Û¨Ì¤¶± (Medium Dependent Interface-X -- MDI-X)¡v³s±µ°ð¡C³o¨Ç³s±µ°ð·|°õ¦æ¥æ¤e¥\¯à¡C
MDI ³s±µ°ð·|½Æ»s³Ì«á¤@Ó MDI-X ³s±µ°ð (¼ÐÅÒ¬° "8MDI-X" ©Î "16MDI-X"¡A »Ý¨Ì±z©ÒÁʶRªº¾÷«¬¦Ó©w)¡A¦ý¬O¨Ã¤£·|°õ¦æ¥æ¤e¥\¯à¡C³o¤GÓ³s±µ°ð·|ª½±µ±µ¦b¤@°_¡F ¦]¦¹¡A±z¤£¯à¦b³æ¤@¶°½u¾¹¤WÅý¸Ë¸m¦P®É³s±µ³o¤GÓ³s±µ°ð¡C ¦ý¬O¡AÃB¥~ªº MDI ³s±µ°ð¬O«Ü¦³¥Îªº¡A ¦]¬°±z¥i¥H¥Îª½³qªº¹qÆl¨Ó³s±µ¤GÓ¶°½u¾¹ (¶¥¦¡±Æ¦C)¡A¦Ó¥B¤£»Ýn¥æ¤e¹qÆl¡C
¹Ï 1-1 ¤Î ¹Ï 1-2 ¥iÅã¥Ü¡u¤A¤Óºô¸ô®à¤W«¬¶°½u¾¹¡v±ªO¤Wªº MDI ³s±µ°ð¡C ¹Ï 1-3 ¥H¹Ï¨Ò»¡©ú¶¥¦¡±Æ¦C¡A¨Ï¥Î MDI/X ³s±µ°ð¡C
10BASE-T ¤Î AUI ³s±µ°ð (¨Ñ 016 «¬¨Ï¥Î) ¥i¥Î¨Ó±N¡u¤A¤Óºô¸ô®à¤W«¬¶°½u¾¹¡v ³s±µ¦Ü¨ä¥¦¡u¤A¤Óºô¸ô®à¤W«¬¶°½u¾¹¡v¤Î¨ä¥¦«¬Ãþªº 10BASE-T ¶°½u¾¹¡A ³o´N¥s°µ¶¥¦¡±Æ¦C¡C¶¥¦¡±Æ¦C¶°½u¾¹³Ì´¶¹Mªº¤èªk¡A ´N¬O±q¤@Ó¶°½u¾¹¤Wªº MDI ³s±µ°ð³s±µª½³qªº¹qÆl¦Ü¥t¤@Ó¶°½u¾¹¤Wªº MDI-X ³s±µ°ð¡C ¶i¤@¨B¸ê°T¡A½Ð¸õ¦Ü"±N¡u¤A¤Óºô¸ô®à¤W«¬¶°½u¾¹¡v³s±µ¦Ü¥t¤@Ó 10BASE-T ¶°½u¾¹" ©Î "Ãìµ²°Ï¬q¤¤ªº¹qÆlºØÃþ"¡C
¹Ï 1-3. ¶¥¦¡±Æ¦C¤A¤Óºô¸ô®à¤W«¬¶°½u¾¹
![]() |
AUI ³s±µ°ð¥iÅý±z±N¡u¤A¤Óºô¸ô®à¤W«¬¶°½u¾¹¡v¤Î¨ä 10BASE-T ³s½u³s±µ¦Ü 10BASE5¡B 10BASE2 ©Î 10BASE-F ºô¸ô°Ï¬q¡C ¦¹¯S©Ê¦bºô¸ôÂX¥R¤è±«Ü¦³¥Î¡CAUI ³s±µ°ð¦b«á¤èªº±ªO¤W¡A ¦p¹Ï 1-4©Ò¥Ü¡C
¹Ï 1-4. ¤A¤Óºô¸ô®à¤W«¬¶°½u¾¹ 016 «¬ªº«á¤è±ªO
![]() |
¡u¤A¤Óºô¸ô®à¤W«¬¶°½u¾¹¡v¥i©ñ¸m¦b®à±¡B³]³Æ®Ø¬[¤ÎÃþ¦üªºªí±¤W¡C ¥¦¥i¸Ë¸m¦bÀð¤W¡B¦¬»È¥x¤ÎÃþ¦üªºªí±¤W¡C
±ªO¤Wªºµo¥ú¤G·¥Åé (LED) ¥iÅã¥Ü ¸Ó¶°½u¾¹¤Î¨äÓ§O³s±µ°ðªºª¬ºA¤Î¬¡°Ê¡C ¶°½u¾¹ªº¿O¸¹¦³¡u¹q·½¡v¤Î¡u¸I¼²¡v¡C¦Ó¨C¤@Ó 10BASE-T ³s±µ°ðªº¿O¸¹«h¬°¡uÃìµ²¬¡°Ê¡v¤Î¡u¤¤Â_¡v¡C ¦¹¥~¡A016 «¬¤Wªº AUI ³s±µ°ðÁÙ¦³¡u¬¡°Ê¡v¤Î¡u¤¤Â_¡vªº¿O¸¹¡C
¦b§P©w¶°½u¾¹ªºª¬ºA¤Î°ÝÃDªººÃÃø±Æ¸Ñ®É¡A¿O¸¹©Ò´£¨Ñªº¸ê°T¬O«Ü¦³¥Îªº¡C "ÁA¸Ñ¿O¸¹" ·|¸ÑÄÀ¨C¤@ºØ¿O¸¹¡C
¦pªG³s±µ°ðªº¥\¯à¤£¥¿±`¡A¡u¤A¤Óºô¸ô®à¤W«¬¶°½u¾¹¡v´N·|°±¥Î 10BASE-T ©Î AUI ³s±µ°ð¡C ¯S§O¬O·í³s±µ°ð¾D¹J¨ì 30 Ó¥H¤Wªº³sÄò¸I¼²©Î¬O³s±µ°ð¤£©ú®É¡A ¶°½u¾¹·|¦Û°Ê°±¥Î¸Ó³s±µ°ð¡C¤@¥¹³s±µ°ð±µ¦¬¨ì¨}¦nªº¸ê®Æ®Ø¡A ¶°½u¾¹´N·|«·s±Ò¥Î³s±µ°ð¡C
·í¹qÆl¤¤ªº½u¸ôÀ³¦³¥¿«H¸¹ (¥¿·¥)¡A «o¥X²{t«H¸¹ (t·¥)¡A©Î¬O¬Û¤Ïªº±¡ªpµo¥Í®É¡A´N·|µo¥Í·¥©Ê¤ÏÂà¡C ¦pªG¹qÆl¦³¥]§t¤ÏÂà¶Ç¿é¸ê®Æ½u¸ô¡A¥B¤w³s±µ¦Ü 10BASE-T ³s±µ°ð¡A «h·í¶°½u¾¹±µ¦¬¨ì¤w¤ÏÂ઺«H¸¹®É¡A·|°»´ú¨Ã§ó¥¿·¥©Ê¤ÏÂà¡C
ªí 1-1 »¡©ú¨Ã¸ÑÄÀ ¡u¤A¤Óºô¸ô®à¤W«¬¶°½u¾¹¿O¡v¡A¦p ¹Ï 1-5©Ò¥Ü¡C ¥H¤U¬°ªí®æ¤¤©Ò¨Ï¥Î¤§³N»yªº©w¸q¡G
¹Ï 1-5. ¤A¤Óºô¸ô®à¤W«¬¶°½u¾¹ 016 «¬ªº¿O¸¹
![]() |
| ¿O¸¹ | ª¬ºA | »¡©ú |
|---|---|---|
| ¹q·½ (ºñ¦â) | ¶} | ¶°½u¾¹¥¿±q¹q´¡®y±µ¦¬¹q·½¡A¥B¹q·½¨ÑÀ³¾¹ªº¥\¯à¥¿±`¡C |
| Ãö | ¶°½u¾¹¨S¦³³s±µ¨ì¹q´¡®y¡A©Î¬O¹q·½½u©Î¹q·½¨ÑÀ³¾¹¦³°ÝÃD¡C | |
| ¸I¼² (¶À¦â) | °{Ã{ | ¶°½u¾¹°»´ú¨ì»P¨ä¤¤¤@Ó³s±µ°ð (AUI ©Î 10BASE-T) ³s±µªº¸Ë¸mµo¥Í¸I¼²¡C µo¥Í¸I¼²ªº¸Ë¸m·|¦Û°Ê°õ¦æ¸I¼²¸ÑªRµ{§Ç (©ó IEEE 802.3 ¤¤«ü©w)¡C |
| Ãö | ¶°½u¾¹¨S¦³°»´ú¨ì³s±µ°ð¤Wªº¥ô¦ó¸I¼²¡A¨Ã¥B¥¿±`¹B§@¡C | |
| AUI/¬¡°Ê (ºñ¦â) | °{Ã{ | ¦³¤@±ø¹qÆl©Î¦¬µo¾¹³s±µ¦Ü AUI ³s±µ°ð¡A¸Ó³s±µ°ð°»´ú¨ì¦³¤@Ӹ˸m³s±µ¨ì¹qÆlªº¥t¤@ºÝ¡A ¦Ó¸Ó³s±µ°ð¥¿¦b±µ¦¬¨Ó¦Û¸Ó¸Ë¸mªº«H¸¹¡C |
| Ãö | ¦³¤@Ó¹qÆl¨S¦³³s±µ¦Ü AUI ³s±µ°ð¡A©Î¬O¹qÆl¡B ³s±µ°ð©Î¹qÆl¥t¤@ºÝªº¸Ë¸mµo¥Í°ÝÃD¡C | |
| AUI/¤¤Â_ (¶À¦â) | ¶} | ¶°½u¾¹¤w±N³s±µ°ð¤¤Â_¡A¦]¬°³s±µ¦Ü¸Ó³s±µ°ðªº¸Ë¸mµo¥Í¹L¦hªº¸I¼²©Î¾Ã¶ë¡C |
| Ãö | ³s±µ°ð¤w±Ò¥Î (¤@¯ëª¬ºA)¡C | |
| 10BASE-T Ãìµ²¬¡°Ê (ºñ¦â) | ¶} | ¦³¤@±ø¹qÆl³s±µ¦Ü 10BASE-T ³s±µ°ð¡A¸Ó³s±µ°ð°»´ú¨ì¦³¤@Ӹ˸m³s±µ¨ì¹qÆlªº¥t¤@ºÝ¡A ¦Ó¸Ó³s±µ°ð¥i¥H±µ¦¬¨Ó¦Û¸Ó¸Ë¸mªº«H¸¹¡C |
| °{Ã{ | 10BASE-T ³s±µ°ð¥¿³z¹L¸Ó³s±µ°ð±µ¦¬¸ê®Æ®Ø¡C | |
| Ãö | ¦³¤@Ó¹qÆl¨S¦³³s±µ¦Ü 10BASE-T ³s±µ°ð¡A©Î¬O¹qÆl¡B ³s±µ°ð©Î¹qÆl¥t¤@ºÝªº¸Ë¸mµo¥Í°ÝÃD¡C | |
| 10BASE-T ¤¤Â_ (¶À¦â) | ¶} | ¶°½u¾¹¤w±N³s±µ°ð¤¤Â_¡A¦]¬°³s±µ¦Ü¸Ó³s±µ°ðªº¸Ë¸mµo¥Í¹L¦hªº¸I¼²©Î¾Ã¶ë¡C |
| Ãö | ³s±µ°ð¤w±Ò¥Î (¤@¯ëª¬ºA)¡C |
¤U¦C¬°¹êÅé©Ê½è¤Î°ò¥»n¨DªººKn¡G
| ºû«× | °ª«×¡G29 mm (1.1 in.) (¾÷«¬ 008)
¼e«×¡G222.2 mm (8.7 in.) ²`«×¡G135 mm (5.3 in.) °ª«×¡G49.8 mm (1.96 in.) (¾÷«¬ 016)
|
| «¶q | 0.76 kg (1.7 lb) (¾÷«¬ 008)
1.4 kg (3.1 lb) (¾÷«¬ 016)
|
| §@·~ªÅ¶¡ | ¥¿±¡G¦³¨¬°÷ªºªÅ¶¡¥iÀ˵ø¿O¸¹
®ÇÃä¡G50.8 mm (2.0 in.) «á¤è¡G50.8 mm (2.0 in.)
|
| ¹q·½ | ¥~³¡ ac/dc ¹q·½°t±µ¥d¥i¤ä´©¥@¬É¦U¦aªº¼Ð·Ç¹qÀ£¡C
³Ì¤j¿é¤J¹qÀ£¤ÎÀW²v½d³ò¤À§O¬O 100 - 250 V ac ¤Î 50 - 60 Hz¡C
¹q·½°t±µ¥dªº¿é¥X¬° DC 5V - 1A¡C(¾÷«¬ 008)
¤º³¡ªº¦Û°Ê¼W´î¹q·½°t±µ¥d¥i¤ä´©¥@¬É¦U¦aªº¼Ð·Ç¹qÀ£¡C ³Ì¤j¿é¤J¹qÀ£¤ÎÀW²v½d³ò¤À§O¬O 100 - 250 V ac ¤Î 50 - 60 Hz¡C (¾÷«¬ 016)
|
| ¹q·½¯Ó·l (³Ì¤jÈ) | 5.9 ¥Ë¯S (36 BTU/¤p®É)¡A¾÷«¬ 008
17.5 ¥Ë¯S (59.5 BTU/¤p®É)¡A¾÷«¬ 016
|
| §@·~Àô¹Ò | °®²y·Å«×¡G10° ¦Ü 40° C (50° ¦Ü 104° F)
¬Û¹ïÀã«×¡G8% ¦Ü 80% Àã²y·Å«×³Ì¤jÈ¡G27° C (81° F)
|
| Àx¦sÀô¹Ò | °®²y·Å«×¡G1° ¦Ü 60° C (33.8° ¦Ü 140° F)
¬Û¹ïÀã«×¡G5% ¦Ü 80% Àã²y·Å«×³Ì¤jÈ¡G29° C (84° F) |
±ý ¦w¸Ë¡u¤A¤Óºô¸ô®à¤W«¬¶°½u¾¹¡v¡A½Ð¨Ì§Ç§¹¦¨¤U¦C¨BÆJ¡C ±z¤]³\·|·Qn½Æ»s¦¹¶¥H¤è«K°Ñ¦Ò¡C
±z¥i¥H ±N¡u¤A¤Óºô¸ô®à¤W«¬¶°½u¾¹¡v©ñ¸m¦b®à¤W (©Î¬OÃþ¦üªºªí±¤W¡A ¨Ò¦p¡G³]³Æªº®Ø¬[) ©Î¬O±N¥¦¸Ë¸m¦bÀð¤W©Î®à¤U©Î¦¬»È¥x¤U¡C
½Ð¿í´`¤U¦C¨BÆJ ¨Ó¸Ë³]¡u¤A¤Óºô¸ô®à¤W«¬¶°½u¾¹¡v¡G
¹Ï 2-1. ¦bÀð¤W¸Ë¸ü¡u¤A¤Óºô¸ô®à¤W«¬¶°½u¾¹¡v
![]() |
±ý¨¾¤î¹q·½½u¬ðµMÂ_½u¡A½Ð¨Ï¥Î¤U¦Cµ{§Ç¡A±Nª½¬y¹q¹q·½½u³s±µ¦Ü¾÷«¬ 008 ªº«á¤è¡C ½Ð°Ñ¾\¹Ï 2-2¡C
¹Ï 2-2. ¾÷«¬ 008 ªºª½¬y¹q¹q·½½u©T©w§¨
![]() |
¥»¬q´£¨Ñ±N¸Ë¸m (¨Ò¦p¡GÓ¤H¹q¸£¡B¦Lªí¾÷¡B¦øªA¾¹¤Î¾P°âÂI²×ºÝ¾÷) ³s±µ¨ì¡u¤A¤Óºô¸ô®à¤W«¬¶°½u¾¹¡vªº»¡©ú¡C
·í±z³s±µ¹qÆl®É¡A½Ð°O±o³o¨Ç¯µ³Z¡G
½Ð¿í´`¤U¦C¨BÆJ¨Ó ±N¤@өΦhӸ˸m³s±µ¦Ü¡u¤A¤Óºô¸ô®à¤W«¬¶°½u¾¹¡v¡A ¦Ó¤£¨Ï¥Î «Ø¸m ½u¸ô¡C
![]() |
¦pªG±zn¨Ï¥Î «Ø¸m½u¸ô (À𤤹qÆl) ¨Ó ±N¸Ë¸m³s±µ¨ì¡u¤A¤Óºô¸ô®à¤W«¬¶°½u¾¹¡v¡A½Ð°õ¦æ¤U¦C¨BÆJ¡C
¦pªG¸Ë¸m¦³¥~³¡ 10BASE-T ¦¬µo¾¹¨Ó¥N´À¤º³¡°t±µ¥d¡A «h±Nª½³q¹qÆl³s±µ¦Ü¦¬µo¾¹¡AµM«á¦A³s±µ¦Ü±ªO¡C
¹Ï 2-4. ¨Ï¥Îª½³q¹qÆl¤Î«Ø¸m½u¸ô
![]() |
±N¡u¤A¤Óºô¸ô®à¤W«¬¶°½u¾¹¡v³s±µ¦Ü¨ä¥¦ 10BASE-T ¶°½u¾¹ªº¤èªk¦³«Ü¦hºØ¡A ¦Ó³Ì²³æ¥B³Ì´¶¹Mªº¤èªk¡A´N¬O¨Ï¥Îª½³q¹qÆl¡C ¦pªG±zn«Ø¥ß³oÃþ³s½u¡A½Ð°õ¦æ¤U¦Cµ{§Ç¡G
¦pªG±zn¥Î AUI ³s±µ°ð¨Ó±N 016 «¬³s±µ¦Ü 10BASE5¡B10BASE2 ©Î 10BASE-F ºô¸ô°Ï¬q¡A ½Ð°õ¦æ¤U¦Cµ{§Ç¡G
| µù: | ¦pªG±z·Q¥ý´ú¸Õºô¸ôªº 10BASE-T ³¡¥÷¡A ¦A±N 10BASE-T ³s±µ¦Üºô¸ôªº¨ä¥¦³¡¥÷ªº¸Ü¡A ½Ð¥ý°õ¦æ"ÅçÃÒ¡u¤A¤Óºô¸ô®à¤W«¬¶°½u¾¹¡vªº§@·~¬O§_¥¿±`"¤Uªº¨BÆJ¡C µM«á°õ¦æ¦¹µ{§Ç¡A¨Ã«½Æ"ÅçÃÒ¡u¤A¤Óºô¸ô®à¤W«¬¶°½u¾¹¡vªº§@·~¬O§_¥¿±`"¤¤ªº¨BÆJ¡C |
¦pªG¦¬µo¾¹ªº¦ì¸mÂ÷¡u¤A¤Óºô¸ô®à¤W«¬¶°½u¾¹¡v°÷ªñ¡A ±z¤]³\¤£¶·¨Ï¥Î AUI ¹qÆl¡A§Y¥iª½±µ±N¶°½u¾¹³s±µ¦Ü¦¬µo¾¹¡C
¹Ï 2-5. ³s±µ AUI ¹qÆl (¾÷«¬ 016)
![]() |
¹Ï 2-6. ±À°Ê AUI ³s±µ°ð¤Wªº·Æ°Ê¦¡¬Âê (¶È 016 ¾÷«¬)
![]() |
±ýÅçÃÒ±z©Ò¦w¸Ë¶°½u¾¹¬O§_¥¿±`¹B§@¡A½Ð°õ¦æ¤U¦C¨BÆJ¡G
¡u¹q·½¿O¡vÀ³¬O«Gªº¡C
¦pªG¨S¦³¥ô¦ó¿O¸¹¬O«Gªº¡A©Î¬O¦pªG¨ä¤¤¤@Ó¿O¸¹¬O¶À¦âªº¡A ½Ð¸õ¦Ü"ºÃÃø±Æ¸Ñ³B²z¤Jªù"¡C¦pªG±z»Ýn¿O¸¹ª¬ºAªº»¡©ú¡A ½Ð°Ñ¾\"ÁA¸Ñ¿O¸¹"¡C
¥»³¹¥]§tªºµ{§Ç¥iÀ°§U±z¸Ñ¨M¡u¤A¤Óºô¸ô®à¤W«¬¶°½u¾¹¡v¤Î¨ä³s½uªº°ÝÃD¡C
¦pªG¦³¤@өΦhÓ»P¡u¤A¤Óºô¸ô®à¤W«¬¶°½u¾¹¡v³s±µªº¸Ë¸m (¨Ò¦p¡GÓ¤H¹q¸£) µLªk»Pºô¸ô¤¤ªº¨ä¥¦¸Ë¸m³q«Hªº¸Ü¡A½Ð¨Ï¥Î¤U¦C¨BÆJ¡A¥H±Ò°ÊºÃÃø±Æ¸Ñ³B²z¡G
ªþµù:
¹Ï 3-1. IBM 8242 ¤A¤Óºô¸ô®à¤W«¬¶°½u¾¹ªº¿O¸¹
![]() |
ªí 3-1. ¯gÔ¡B¿O¸¹ª¬ºA¤Î«ØÄ³µ{§Ç
| ¯gԤοO¸¹ª¬ºA | ¸õ¦Ü |
|---|---|
| ¨S¦³¥ô¦ó»P¡u¤A¤Óºô¸ô®à¤W«¬¶°½u¾¹¡v³s±µªº¸Ë¸m¥i¥H¶i¦æ³q«H¡A ¥B¨S¦³¥ô¦ó¿O¸¹¬O«Gªº¡C | "µ{§Ç A" |
| ¨S¦³¥ô¦ó»P¡u¤A¤Óºô¸ô®à¤W«¬¶°½u¾¹¡v³s±µªº¸Ë¸m¥i¥H¶i¦æ³q«H¡A ¥B¡u¹q·½¿O¡v¬O«Gªº¡C | "µ{§Ç B" |
| ¦³¤@Ó³s±µ¦Ü¡u¤A¤Óºô¸ô®à¤W«¬¶°½u¾¹¡vªº¸Ë¸m¦b³q«H¤è±µo¥Í°ÝÃD¡A ¦Ó©Ò¦³ªº¿O¸¹ªº«ü¥Ü¬Ò¥¿±`¡C | "µ{§Ç B" |
| ¨ä¤¤¤@Ó 10BASE-T ¤¤Â_¿O¬O«Gªº¡C | "µ{§Ç B" |
| ¦³¤@Ó¡u10BASE-T Ãìµ²¬¡°Ê¿O¡v¨S¦³«G¡A¥B¦³¤@Ӹ˸m»P¸Ó°ð³s±µ¡C | "µ{§Ç B" |
| ©Ò¦³»P¶°½u¾¹³s±µ¤§¸Ë¸mªº³q«H³t«×«ÜºC¡A¦Ó¥B¡u¸I¼²¿O¡v¬O«Gªº¡C | "µ{§Ç C" |
| ¦³¤@Ӹ˸m³s±µ¨ì AUI ³s±µ°ð¡A¥B¡uAUI ¤¤Â_¿O¡v¬O«Gªº¡F ©Î¬O¦³¤@Ӹ˸m³s±µ¨ì 10BASE-T ³s±µ°ð¡A¥B¸Ó³s±µ°ðªº¡u¬¡°Ê¿O¡v¨S¦³«G¡C | "µ{§Ç D" |
¦pªG¨S¦³¥ô¦ó»P¶°½u¾¹³s±µªº¸Ë¸m¥i¥H¶i¦æ³q«H¡A¥B¨S¦³¥ô¦ó¿O¸¹¬O«Gªº¸Ü¡A ½Ð¨Ï¥Î¤U¦Cµ{§Ç¡G
¦pªG¨S¦³¥ô¦ó»P¶°½u¾¹³s±µªº¸Ë¸m¥i¥H¶i¦æ³q«H¡A¥B¡u¹q·½¿O¡v¦³«Gªº¸Ü¡A ½Ð¨Ï¥Î¦¹µ{§Ç¡G
½Ð°È¥²ÀˬdÃìµ²°Ï¬q¤¤¨C¤@±ø±q¶°½u¾¹¦Ü¥t¤@ºÝ¤§¸Ë¸mªº¹qÆl¡C ¥J²ÓÀˬd©Ò¦³«Ø¸m½u¸ô (À𤤹qÆl) ªº³s±µ¡C
¦pªG©Ò¦³»P¶°½u¾¹³s±µ¤§¸Ë¸mªº³q«H³t«×«ÜºC¡A¦Ó¥B¡u¸I¼²¿O¡v¬O«Gªº¡A «hªí¥Ü AUI ºô¸ô³s±µ°ðªº¶Ç¿é«Ü¾ÖÀ½¡C ¶°½u¾¹ªº¹B§@¥¿±`¡C
¦pªG°ÝÃD¤´¦s¦b¡A½Ð¦Ò¼{±Nºô¸ô (³æ¤@¸I¼²»â°ì) ¤À³Î¬°¤GөΧó¦hªº¸I¼²»â°ì¡A ¨Ã±N»â°ì³s±µ¦Ü¾ô±µ¾¹©Î¸ô¥Ñ¾¹¡C¦pªG±z»Ýn¸I¼²»â°ìªº»¡©ú¡A ½Ð°Ñ¾\"ºô¸ô¨î"¡C
¦pªG¦³¤@Ӹ˸m³s±µ¨ì AUI ³s±µ°ð¡A¥B AUI ªº¡u¤¤Â_¿O¡v¦³«G¡A ©Î¬O¦³¤@Ӹ˸m³s±µ¨ì AUI ³s±µ°ð¡A¥B¸Ó³s±µ°ðªº¡u¬¡°Ê¿O¡v¨S¦³«Gªº¸Ü¡A ½Ð¨Ï¥Î¦¹µ{§Ç¡C¥t¥~¡A¦pªG±z¬O³Q"µ{§Ç B"°e¨ì³oÃä¨Óªº¸Ü¡A ¤]½Ð¨Ï¥Î¦¹µ{§Ç¡C
¦pªG±z¥Î AUI ¹qÆl±q¡u¤A¤Óºô¸ô®à¤W«¬¶°½u¾¹¡v³s±µ¦Ü¦¬µo¾¹¡A ½Ð¥Î¨}¦nªº¹qÆl¨Ó´À´«¡C
µM«á¡A½Ð¥Î¨}¦nªº¦¬µo¾¹¨Ó´À´«¡A¥HÅçÃÒ¦¬µo¾¹ªºª¬ªp¡C
¦³«Ü¦h¹q¸£ªº °ÝÃD³£¥i§Q¥Î¡u¥þ²y¸ê°Tºô¡v©Î¡u¤A¤Óºô¸ô®à¤W«¬¶°½u¾¹¡v ©Òªþ¤§¤å¥óªº¸ê°T¨Ó¸Ñ¨M¡A¦Ó¤£¶·¥t¥~´M¨D¨ó§U¡C
¦b¡u¥þ²y¸ê°Tºô¡v¤W¡A¡u¤A¤Óºô¸ô®à¤W«¬¶°½u¾¹¡vªº¡uIBM ºô¸ô¥\¯à¤ä´©¡v ºô¶¦³´£¨Ñ§Þ³N¤Wªº¯µ³Z¤Î²£«~¸ê°T¡A¨Ò¦p¡G³W®æ¡B³q§i¸ê®Æ¡B ¤å¥ó (^¤å¤Î½Ķª©¥») ¤Î¨ä¥¦¬ÛÃöªº¸ê®Æ¡C
IBM ºô¸ô¥\¯à¤ä´© (IBM Networking Support) ºô¶ªº¦ì§}¬O¡G
http://www.networking.ibm.com/support/8242
½Ð¼· IBM µwÅéºû×±M½u (02)2729-3300 ©Î 080-055055¡A¥H¨ú±o¨ó§U¡C
¦b«OÃÒ´Á¤º¤Î¤§«á¡A±z³£¥i¥HÁʶRªþ¥[ªA°È¡A¨Ò¦p¡GIBM ·í¦aºû× (IOR) ¤ä´©¡B IBM ¤Î«D IBM µwÅé¡Bºô¸ô¦w¸Ë¤Î°t¸m¡B¤É¯Å©ÎÂX¥RµwÅéºûתA°È¥H¤Î¦Ûq¦w¸Ë¡C ¦b¦UÓ°ê®a©Ò´£¨ÑªºªA°È¤Î¦WºÙ·|¦³©Ò¤£¦P¡C½Ð¼· IBM µwÅéºû×±M½u (02)2729-3300 ©Î 080-055055¡C
¥»³¹©Ò´£¨Ñªº¸ê°T¡A¥i¨ó§U±z¦b·sªº©Î²{¦sªººô¸ô¤W¡A ³W¹º¦w¸Ë¡u¤A¤Óºô¸ô®à¤W«¬¶°½u¾¹¡v¡C ¥»³¹»¡©ú¥i¨Ï¥Î¡u¤A¤Óºô¸ô®à¤W«¬¶°½u¾¹¡vªººô¸ôºØÃþ¡B ¥Î¨Ó³s±µ¸Ë¸m¤Î¡u¤A¤Óºô¸ô®à¤W«¬¶°½u¾¹¡vªº¹qÆl¡B ¥Î¨Ó³s±µ¡u¤A¤Óºô¸ô®à¤W«¬¶°½u¾¹¡vªº¦¬µo¾¹¡A ¥H¤Î¡u¤A¤Óºô¸ô®à¤W«¬¶°½u¾¹¡vªº 10BASE-T »P 10BASE5¡B 10BASE2 ©M 10BASE-F ºô¸ô°Ï¬q¤§¶¡ªº³s½u¡C
| µù: | ¡u¤A¤Óºô¸ô®à¤W«¬¶°½u¾¹¡v¤£¤ä´©¤á¥~¹qÆlªº¨Ï¥Î¡C ¡u¤A¤Óºô¸ô¡v³s½u (¥ú¾ÇÅÖºû°£¥~) ¥u©ó¤á¤º½u¸ô¨Ï¥Î¡C |
®Ú¾Ú IEEE Standard 802.3¡A¤U¦C¨î¾A¥Î©ó 10BASE-T ºô¸ô¡G
²³æ¦a»¡¡A Ãìµ²°Ï¬q¬°³æ¤@¹qÆl©Î¬O±N¸Ë¸m³s±µ¦Ü 10BASE-T ¶°½u¾¹ªº¥æ¤¬³s±µ¹qÆl¡C ¹Ï 4-1 ¥H¹Ï¨Ò»¡©ú¥Î¨Ó±N¸Ë¸m³s±µ¨ì¡u¤A¤Óºô¸ô®à¤W«¬¶°½u¾¹¡vªºÃìµ²°Ï¬q¡C ¨C¤@ÓÃìµ²°Ï¬q³£¬O UTP ¹qÆl¡C ¨C¤@Ó 10BASE-T ³s±µ°ð³£¥u¯à³s±µ¤@Ӹ˸m¡C
¹Ï 4-1. 016 «¬ªºÃìµ²°Ï¬q¤Î AUI ¹qÆl
![]() |
AUI ¹qÆl¬°³z¹L¦¬µo¾¹±q ¸Ë¸mªº AUI ³s±µ°ð³s±µ¨ì 10BASE5¡B 10BASE2 ©Î 10BASE-F °Ï¬qªº¹qÆl¡C ¦b¬Y¨Ç±¡ªp¤U¡AY ¦¬µo¾¹ªº¦ì¸mÂ÷¶°½u¾¹«Üªñ¡A «h¥i¥H¤£¨Ï¥Î AUI ¹qÆl¡A¦]¬°¡u¤A¤Óºô¸ô®à¤W«¬¶°½u¾¹¡v ªº AUI ³s±µ°ð¥i¥Hª½±µ³s±µ¨ì¦¬µo¾¹¡C ¹Ï 4-1 ¥H¹Ï¨Ò»¡©ú AUI ¹qÆl¡C
³o¨Ç«¬Ãþ³£¦³¤£¦Pªº³W®æ¡C¨C¤@ºØÃþ«¬³£¥i¥Î¦b ¥æ¤¬ÂàµoÅÖºû°Ï¬q¤¤¡A ¥æ¤¬ÂàµoÅÖºû°Ï¬q¬O¥Ñ¥ú¾ÇÅÖºû¹qÆl¤Î¤GºÝªº¥ú¾ÇÅÖºû¦¬µo¾¹©Ò²Õ¦¨¡C ¸Ó°Ï¬qªº¤GºÝ³£·|³s±µ¨ì 10BASE5¡B10BASE2 ©Î 10BASE-T ¶°½u¾¹¡A ©Î¬O³s±µ¨ì 10BASE-F °Ï¬q¡C·í IEEE 802.3 ºô¸ô¦b¤j¼Ó¤§¶¡©µ¦ù®É¡A ·|±`±`¥Î¨ì¥æ¤¬ÂàµoÅÖºû°Ï¬q¡C
°Ï¬q¬O¸Ë¸m©Ò³s±µªº¤@¯ë¹qÆl¦w¸Ë¡C ¸I¼²»â°ì¬O¥Ñ¶°½u¾¹¹ê»Ú¤W¥æ¤¬³s±µªº¤@ӰϬq©Î¦h«°Ï¬q©Ò²Õ¦¨¡C ¸I¼²»â°ì¤£¥i¥]§t¾ô±µ¾¹©Î¸ô¥Ñ¾¹¡C²z½×¤W¡A¾ô±µ¾¹¤Î¸ô¥Ñ¾¹¬O±N°Ï¬q¥æ¤¬³s±µªº¸Ë¸m¡C ¸I¼²»â°ì¤¤©Ò¯à®e³\ªº¸Ë¸m³Ì¤j¼Æ¬° 1024¡C
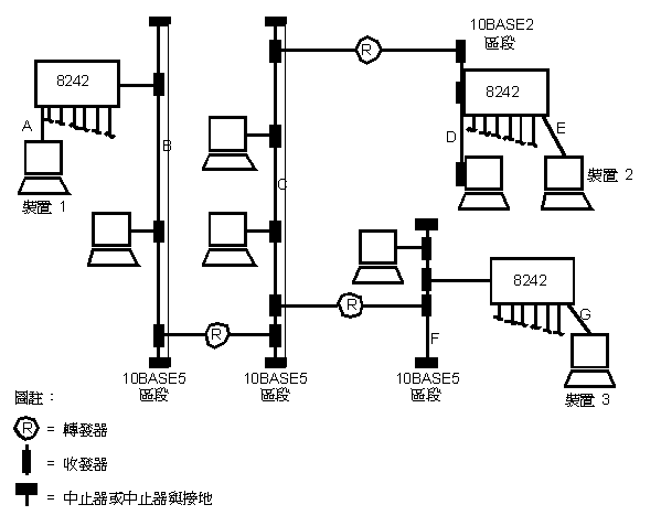
¹Ï 4-2 ¥H¹Ï¨Ò»¡©ú¥]§t¤TºØ°Ï¬qªº³æ¤@¸I¼²»â°ì¡C A¡BE ¤Î G ¬° 10BASE-T Ãìµ²°Ï¬q¡CB¡BC ¤Î F ¬° 10BASE5 °Ï¬q¡C D ¬° 10BASE2 °Ï¬q¡C
¹Ï 4-2. ¥]§t¦h«°Ï¬q¤Î¶°½u¾¹ªººô¸ô
![]() |
¦b¹Ï¨Ò¤¤¡A±q¡u¸Ë¸m 1¡v ¨ì¡u¸Ë¸m 3¡vªº¸ô®|¥]§t¥|Ó¶°½u¾¹ (¤GÓ¡u¤A¤Óºô¸ô®à¤W«¬¶°½u¾¹¡v¤Î¤GÓ 10BASE5 ¶°½u¾¹) ¤Î¤Ó°Ï¬q (A¡BB¡BC¡BF ¤Î G)¡CÁöµM¤@Ó¸ô®|¤¤³Ì¦h¥u¯à®e³\¥|Ó¶°½u¾¹¤Î¤Ó°Ï¬q¡A ¦ý¬O¤@Ó¸I¼²»â°ì¥i¥]§t¥|Ó¥H¤Wªº¶°½u¾¹¤Î¤Ó¥H¤Wªº°Ï¬q¡A¦p¹Ï¨Ò©Ò¥Ü¡C
10BASE5 °Ï¬q³Ìªø¬° 500 m (1640 ft.)¡A ³Ì¦h¥i¥]§t 100 Ӹ˸m¡C10BASE2 °Ï¬q³Ìªø¬° 185 m (607 ft.)¡A ³Ì¦h¥i¥]§t 30 Ӹ˸m¡C¦b³o¤GºØ±¡ªp¤§¤U¡A¶°½u¾¹¼Æ³£¤w¹F¨ì³Ì¤j¸Ë¸m¨î¡C
Y»Ý 10BASE5 ©Î 10BASE2 ºô¸ôªº¬ÛÃö¸ê°T¡A½Ð¬¢±zªº²£«~¨ÑÀ³°Ó¡C
¦pªG¸ô®|¤¤¦³¥|Ó¶°½u¾¹¤Î¤Ó°Ï¬q¡A «h¸ô®|¤¤ªº FOIRL¡B 10BASE-FL ©Î 10BASE-FB °Ï¬qªºªø«×¨î¬° 500 m (1640 ft.)¡C ¸ô®|¤¤ªº 10BASE-FP °Ï¬q¤£¯à¶W¹L 300 m (984 ft.)¡C
¦pªG¦³¤TÓ¶°½u¾¹¤Î¥|ӰϬq¡A«h¸ô®|¤¤ªº FOIRL¡B 10BASE-FL ©Î 10BASE-FB °Ï¬qªºªø«×³Ì¦h¥i¹F 1000 m (3280 ft.)¡C ¦b³oºØ±¡ªp¤§¤U¡A10BASE-FP °Ï¬q¤£¯à¶W¹L 700 m (2297 ft.)¡C
Y¨Ï¥Î³æ¤@Ó¡u¤A¤Óºô¸ô®à¤W«¬¶°½u¾¹ 008 «¬¡v¡A ±z¥i¥H«Ø¸m¤@ӥѤT¦Ü¤KӸ˸m©Ò²Õ¦¨ªº 10BASE-T ºô¸ô¡C ¹Ï 4-3. ¥H¹Ï¨Ò»¡©ú³oºØºô¸ô¡C³æ¤@Ó¡u¤A¤Óºô¸ô®à¤W«¬¶°½u¾¹ 016 «¬¡v ¥i¥H¥Î¨Ó«Ø¸m¤@ 2 ¦Ü 16 Ӹ˸m©Ò²Õ¦¨ªººô¸ô¡C
¹Ï 4-3. ¥Î³æ¤@ 008 ¾÷«¬¨Ó«Ø¸m 10BASE-T ºô¸ô
![]() |
¡u¤A¤Óºô¸ô®à¤W«¬¶°½u¾¹¡v¥i³z¹L 10BASE-T ³s±µ°ð¨Ó³s±µ¦Ü¨ä¥¦ ¡u¤A¤Óºô¸ô®à¤W«¬¶°½u¾¹¡v¤Î¨ä¥¦«¬Ãþªº 10BASE-T ¶°½u¾¹¡A³o´N¬O©Ò¿×ªº ¶¥¦¡±Æ¦C¡C ¹Ï 4-4 ¥H¹Ï¨Ò»¡©ú¶¥¦¡±Æ¦Cªº°t¸m¡C
¹Ï 4-4. ¥Î¶¥¦¡±Æ¦Cªº¡u¤A¤Óºô¸ô®à¤W«¬¶°½u¾¹¡v¨Ó«Ø¸m 10BASE-T ºô¸ô
![]() |
±z¥i¥H«Ø¸m¤@Ó¤ñ¹Ï¨Ò¹Ï 4-4¤jªº¶¥¦¡±Æ¦C 10BASE-T ºô¸ô, ¦ý¬O¸Ë¸m¤§¶¡ªº¸ô®|¤¤¡A³Ì¦h¥u¯à¦³¥|Ó¶°½u¾¹ (¥|ÓÂàµo¾¹¤¤Ä~)¡C ¨Ò¦p¡A±z¤£¥Î±N¸Ë¸m (¦p¡GÓ¤H¹q¸£) ³s±µ¨ì BB ¤Î CC¡A ±z¥i¥H³s±µÃB¥~ªº¡u¤A¤Óºô¸ô®à¤W«¬¶°½u¾¹¡v¡C
¦pªG±zn³s±µ¦Ü 10BASE-T ºô¸ôªº¸Ë¸m¼Æ¶W¹L±z¦b¨Ï¥Î¶¥¦¡±Æ¦C ¡u¤A¤Óºô¸ô®à¤W«¬¶°½u¾¹¡vªº±¡ªp¤U¡A©Ò¯à®e³\ªº³Ì¤j¼Æ®É¡A ½Ð¦Ò¼{±Nºô¸ô¤À³Î¬°¤GөΧó¦hªº¸I¼²»â°ì¡A¨Ã¥B¥Î¾ô±µ¾¹©Î¸ô¥Ñ¾¹¨Ó³s±µ»â°ì¡C ÁÙ¦³¥t¤@ºØ¤è¦¡¡A´N¬O±N¶°½u¾¹³s±µ¦Ü¥Dn°Ï¬q¡C
¦p«e±©Ò°Q½×ªº¡A¡u¤A¤Óºô¸ô®à¤W«¬¶°½u¾¹ 016 «¬¡v ¥i¥H³z¹L AUI ³s±µ°ð¨Ó³s±µ¦Ü¨ä¥¦«¬Ãþªººô¸ô¡C ¦b¹Ï 4-5¤¤¡A ¡u¤A¤Óºô¸ô®à¤W«¬¶°½u¾¹¡v³s±µ¨ì 10BASE5 ©Î 10BASE2 °Ï¬q¡C ¦b¹Ï 4-6¡A ¡u¤A¤Óºô¸ô®à¤W«¬¶°½u¾¹¡v³s±µ¨ì 10BASE5 °Ï¬q¡A ¨Ã¥B FOIRL ¨Ó¥æ¤¬³s±µ¨º¨Ç°Ï¬q¡C ¦b¹Ï 4-7¤¤¡A ¡u¤A¤Óºô¸ô®à¤W«¬¶°½u¾¹¡v³s±µ¨ì FOIRL¡C
°£¤FnÆ[¹î"ºô¸ô¨î"¤¤©Ò»¡©úªº¨î¤§¥~¡A ·í±z¦b¥]§t¤£¦P¹qÆl¦w¸Ë«¬Ãþ¤§ºô¸ô¤¤¨Ï¥Î¡u¤A¤Óºô¸ô®à¤W«¬¶°½u¾¹¡v®É¡A ½Ð°O±o¤U¦C«ü«n¡G
¹Ï 4-5. ¦b¦³¦P¶b¹qÆl°Ï¬q¤§ºô¸ô¤¤ªº¡u¤A¤Óºô¸ô®à¤W«¬¶°½u¾¹ 016 «¬¡v
![]() |
¹Ï 4-6. ¦b¦³ 10BASE-F ¤Î¦P¶b¹qÆl°Ï¬q¤§ºô¸ô¤¤ªº¡u¤A¤Óºô¸ô®à¤W«¬¶°½u¾¹ 016 «¬¡v
![]() |
¹Ï 4-7. ¦b¦³ 10BASE-F °Ï¬q¤§ºô¸ô¤¤ªº¡u¤A¤Óºô¸ô®à¤W«¬¶°½u¾¹ 016 «¬¡v
![]() |
¥»³¹»¡©ú¥Î¨Ó±N¸Ë¸m³s±µ¦Ü¡u¤A¤Óºô¸ô®à¤W«¬¶°½u¾¹¡v©Ò¶·ªº¹qÆl¡B ¥Î¨Ó³s±µ¤GÓ¡u¤A¤Óºô¸ô®à¤W«¬¶°½u¾¹¡v©Ò¶·ªº¹qÆl¡B ¥Î¨Ó±N¡u¤A¤Óºô¸ô®à¤W«¬¶°½u¾¹¡v³s±µ¦Ü¨ä¥¦Ãþ«¬¤§ 10BASE-T ¶°½u¾¹©Ò¶·ªº¹qÆl¡A ¥H¤Î±N¡u¤A¤Óºô¸ô®à¤W«¬¶°½u¾¹¡v¤Î¨ä 10BASE-T ³s½u³s±µ¦Ü¨ä¥¦Ãþ«¬¤§ºô¸ô°Ï¬q©Ò¶·ªº¹qÆl¡C
LAN ªº°ÝÃD³q±`¬O¦]¬°¹qÆl¦w¸Ë¤£¥¿½T¡C¦]¦¹¡A ±zªº 10BASE-T ºô¸ô·|¨Ì±z©Ò§Æ±æªº¤è¦¡¨Ó¹B§@¡A ½Ð¤p¤ß¿ï¨ú¹qÆl¦w¸Ë¡A¨Ã¥Bn½T©w¨ä¦w¸Ë¥¿½T¡C ªí 4-1¡B ªí 4-2 ¤Î ªí 4-3 »¡©ú 10BASE-T Ãìµ²°Ï¬q¤¤©Ò¨Ï¥Î¤§¹qÆlªº³W®æ¡C
¦pªG¤w¨Ï¥Î 150-ohm STP ©Î 120-ohm FTP ¹qÆl¦w¸Ë¡A¤]¥²¶·¨Ï¥Îªý§Ü¬Û²Åªº¸Ë¸m¡C
ªí 4-1. UTP Ãìµ²°Ï¬qªº¹qÆl¦w¸Ë³W®æ
| ¯S©Ê | ³W®æ (³Æµù 1) |
|---|---|
| ¹qÆlÃþ«¬ | UTP ¤Î 2 Ó 22¡B24 ©Î 26 AWG ªºÂùµ±½u (³Æµù 2) |
| ³Ì¤jªý§Ü | 100 ohms |
| ³t«×¶Ç»¼ | 0.585 c (³Æµù 3) |
| ³Ì¤j°I´î«× | ¦b 10 MHz ¤W¡A¨C 100 m 8 ¦Ü 10 dB |
| ªþµù: | |
ªí 4-2. STP Ãìµ²°Ï¬qªº¹qÆl¦w¸Ë³W®æ
| ¯S©Ê | ³W®æ (³Æµù 1) |
|---|---|
| ¹qÆlÃþ«¬ | STP ¤Î 2 Ó 22¡B24 ©Î 26 AWG ªºÂùµ±½u (³Æµù 3) |
| ³Ì¤jªý§Ü | 150 ohms |
| ³t«×¶Ç»¼ | 0.585 c (³Æµù 3) |
| ³Ì¤j°I´î«× | ¦b 10 MHz ¤W¡A¨C 100 m 8 ¦Ü 10 dB |
| ªþµù: | |
ªí 4-3. STP Ãìµ²°Ï¬qªº¹qÆl¦w¸Ë³W®æ
½Ð¤Å¦b 10BASE-T ºô¸ô¤¤¨Ï¥Î¹q¸Ü¤À¾÷¹qÆl¡C ¨º¨Ç¹qÆl¤¤ªº½u¸ô¹ï¨Ã«Dµ±½u¡A¥B¸Ó¹qÆl¨Ã¤£²Å¦X¨ä¥¦¦b 10BASE-T ºô¸ô¨Ï¥Îªº°ò¥»n¨D¡C ±z¥i¥H¥Î¹qÆlªº¥©Z¥BÅÖ²Óªº¥~Æ[¨ÓÃѧO¹q¸Ü¤À¾÷¹qÆl¡C UTP ¹qÆl¤ñ¹q¸Ü¤À¾÷¹qÆl¶ê¥B²Ê¡C
10BASE-T Ãìµ²°Ï¬q¤¤©Ò¨Ï¥Îªº¹qÆl¤£»Ýn±µ¦a¡C ¦ý¬O¡A©Ò¦³»P¸Ó¹qÆl³s±µªº¸Ë¸m³£¥²¶·±µ¦a¡C ¡u¤A¤Óºô¸ô®à¤W«¬¶°½u¾¹¡v¤w±µ¦a¡C
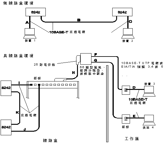
¥t¥~¡A Ãìµ²°Ï¬q¥Î¨Ó±N¸Ë¸m³s±µ¨ì¡u¤A¤Óºô¸ô®à¤W«¬¶°½u¾¹¡vªº¹qÆl¦w¸Ë¡C Ãìµ²°Ï¬q¥i¯à¬O¥Ñ³æ¤@¹qÆl©Î¥æ¤¬³s±µ¹qÆl©Ò²Õ¦¨¡C ©Ò»Ý¤§¹qÆlªº¼Æ¶q¤ÎºØÃþ»Ýµø±z¬O§_¦b±zªº 10BASE-T ºô¸ô¤¤¨Ï¥Î«Ø¸m½u¸ô (À𤤹qÆl)¡A¥H¤Î¡u¤A¤Óºô¸ô®à¤W«¬¶°½u¾¹¡v ¬O§_¦³³s±µ¨ì¨ä¥¦ 10BASE-T ¶°½u¾¹¦Ó©w¡C «Ø¸m½u¸ô±q¤¤¦³¦ì¸m (½u¸ô²°) ©µ¦ù¨ì¨C¤@Ó»Ýnºô¸ôªA°Èµ{¦¡ªº¦ì¸m¡C
¹Ï 4-8 ¥H¹Ï¨Ò»¡©ú¨ã¦³¤Î¨S½u¸ô²°¤§ºô¸ô¤¤ªº¹qÆl¦w¸Ë¡C ¤£»Ý¦³½u¸ô²°¤§Àô¹Òªº½d¨Ò¬O¥Î¦b·í¡u¤A¤Óºô¸ô®à¤W«¬¶°½u¾¹¡v ¤Î©ÒªþÄݪº¸Ë¸m¬Ò¦ì©ó¶}©ñ¦¡¤u§@°Ïªº±¡ªp¤U¡C»Ýn¦³½u¸ô²°¤§Àô¹Òªº½d¨Ò«h¬O¥Î¦b ¡u¤A¤Óºô¸ô®à¤W«¬¶°½u¾¹¡v¤Î©ÒªþÄݪº¸Ë¸m¦ì©ó¤£¦P¼Ó¼hªº¤j¼Ó¤¤¡C
¹Ï 4-8. ¦³¤Î¨S¦³½u¸ô²°ªº¹qÆl¦w¸Ë
![]() |
Ãìµ²°Ï¬q¥i¥]§t¤U¦CºØÃþªº¹qÆl¡G
·íÃìµ²°Ï¬q¤¤¤£»Ý¨Ï¥Î«Ø¸m½u¸ô®É¡A½Ð¨Ï¥Î³æ¤@ª½³q¹qÆl¨Ó ±N¸Ë¸m³s±µ¨ì¡u¤A¤Óºô¸ô®à¤W«¬¶°½u¾¹¡v¡C ¹Ï 4-12¤¤ªº¹qÆl A ¤Î C ¬°¥]§t³æ¤@ª½³q¹qÆlªºÃìµ²°Ï¬q¡C
¦pªGÃìµ²°Ï¬q¤¤¤w¨Ï¥Î«Ø¸m½u¸ô¡A½Ð¨Ï¥Îª½³q¹qÆl¨Ó±N¸Ë¸m³s±µ¨ì«Ø¸m½u¸ô²×¤îªº±ªO¤W¡A ¨Ã¨Ï¥Î¥t¤@±øª½³q¹qÆl±N«Ø¸m½u¸ôªº¥t¤@ºÝ³s±µ¨ì¡u¤A¤Óºô¸ô®à¤W«¬¶°½u¾¹¡v¡C ¦b¹Ï 4-8¤¤¡A ¡u¸Ë¸m 3¡vªºÃìµ²°Ï¬q¥]§t¤G±øª½³q¹qÆl¡GD ¤Î I¡C
½Ð°È¥²¨Ï¥Îª½³q¹qÆl¨Ó¥æ¤¬³s±µ¡u¤A¤Óºô¸ô®à¤W«¬¶°½u¾¹¡v¡A ¥H±N¨ä¤¤¤@±øª½³q¹qÆlªº MDI ³s±µ°ð³s±µ¨ì¥t¤@±øªº MDI-X ³s±µ°ð¡C ¦b¹Ï 4-8¤¤¡A ¹qÆl B ¤Î K ¬°¥æ¤¬³s±µ¡u¤A¤Óºô¸ô®à¤W«¬¶°½u¾¹¡vªºª½³q¹qÆl¡C
¦bª½³q¹qÆl¤¤¡A¶Ç¿é¤Î±µ¦¬¸ê®Æ¹ï³£¤w±µ¤W½u¡A ©Ò¥H¨C¤@±ø½u¸ô³£·|¦b¹qÆl¤GºÝ¬Û¦Pªº´¡¸}¦ì¸m¤W²×¤î¡C ¹Ï 4-9 ¥H¹Ï¨Ò»¡©úª½³q¹qÆl¤¤½u¸ô¡C ½Ð°Ñ·Ó"10BASE-T ¹qÆl¦w¸Ë³W®æ"¤¤ªº¸ê°T¤Î³W®æ¨Ó±ÄÁʩΫإߪ½³q¹qÆl¡C ±z¥i¥H¦Ò¼{¨ú±o¤@¨ÇÃB¥~ªº¹qÆl©óµy«á¥Î¨Ó¸m´«±¼¿i·l©Î·lÃaªº¹qÆl¡C
![]() |
¹Ï 4-11 ¥H¹Ï¨Ò»¡©ú¥Î¦bª½³q¹qÆl¤GºÝªº±µÀY¡C
¨Ï¥Î¥æ¤e¹qÆl±N¡u¤A¤Óºô¸ô®à¤W«¬¶°½u¾¹¡v¤Wªº¥æ¤e¹qÆl³s±µ°ð (MDI-X) ³s±µ¦Ü¥t¤@ºØÃþ«¬ªº 10BASE-T ¶°½u¾¹¡C ·í±z³s±µ¤G±ø¥æ¤e³s±µ°ð®É¡A·|»Ýn¥æ¤e¹qÆl¡C
10BASE-T ¼Ð·Ç»Ýn¦b¨CÓÃìµ²°Ï¬q¤¤¥æ¿ù¶Ç¿é¤Î±µ¦¬¸ê®Æ¹ï¡A ¦p¦¹¡AÃìµ²°Ï¬q¨ä¤¤¤@ºÝ¤§¸Ë¸mªº¿é¥X (¶Ç¿é«H¸¹) ´N·|¬O¥t¤@ºÝ¤§¸Ë¸mªº¿é¤J (±µ¦¬«H¸¹)¡C ¥æ¤e¨ç¼Æ ¥i¦b¶°½u¾¹³s±µ°ð©ÎÃìµ²°Ï¬q¤¤°õ¦æ¡C ¦pªG±z±N¨ä¤¤¤@Ó¶°½u¾¹¤Wªº¥æ¤e³s±µ°ð³s±µ¨ì¥t¤@Ó¶°½u¾¹ªº¤Wªº¥æ¤e³s±µ°ð¡A ±z´N¥²¶·¦b¶°½u¾¹©Ò³s±µªºÃìµ²°Ï¬q¤¤¦A°õ¦æ¤@¦¸¥æ¤e¥\¯à¡A ¥H½T©w¦³©_¼Æªº¥æ¤e¡C
¦b¥æ¤e¹qÆl¤¤¡A¶Ç¿é¤Î±µ¦¬¸ê®Æ¹ï³£¤w±µ¤W½u¡A ©Ò¥H¶Ç¿é¹ï·|¦b¹qÆl¥t¤@ºÝ¤§±µ¦¬¹ï©Ò¨Ï¥Îªº´¡¸}¦ì¸m¤W²×¤î¡C («H¸¹·|¦b°õ¦æ¥æ¤e¥\¯àªº¶°½u¾¹³s±µ°ð¤¤¡A¥H¬Û¦Pªº¤è¦¡¨Ó¶i¦æ¥æ¿ù¡C)
¹Ï 4-10 ¥H¹Ï¨Ò»¡©ú¥æ¤e¹qÆl¤¤ªº½u¸ô¡C ½Ð°Ñ·Ó¦¹¹Ï¨Ò¤Î"10BASE-T ¹qÆl¦w¸Ë³W®æ"¤¤ªº¸ê°T¨Ó±ÄÁʩΫإߥæ¤e¹qÆl¡C ½Ðª`·N¡G¦³¨Ç¹qÆl¨ÑÀ³°Ó©Ò³c½æªº UTP ¹qÆlªº´¡¸}¬O¥æ¿ù¦¡ªº¡A ¦ý¬O³oºØ¥æ¿ù»P 10BASE-T ¥æ¤e¹qÆl©Ò»Ýªº¥æ¿ù¬O¤£¤@¼Ëªº¡C
¦pªG±zÁʶR©Î«Ø¥ß¥æ¤e¹qÆl¡A¦Ó¹qÆl¤W¨S¦³¥ô¦ó¼Ð¥Ü©ÎÃC¦â²Å¸¹¨Óªí¥Ü¥¦Ì¬O ¥æ¤e¹qÆlªº¸Ü¡A½Ð¦Ò¼{¦b¹qÆlªº¨âºÝ³£¼Ð¤W "X"¡A ©Î¬O¦b¹qÆl¤W¨Ï¥Î¤£¦PÃC¦âªº¼ÐÅҩΨ䥦ÃѧO²Å¸¹¨Ó»Pª½³q¹qÆl§@°Ï¤À¡C
![]() |
¹Ï 4-11¥H¹Ï¨Ò»¡©ú¥Î¦b¥æ¤e¹qÆl¤GºÝªº±µÀY¡C
¹Ï 4-8 ªº½u¸ô²°Àô¹Ò³¡¥÷¥H¹Ï¨Ò»¡©úÃìµ²°Ï¬q¤¤¤§«Ø¸m½u¸ô (À𤤹qÆl) ªº¥Îªk¡C ¨Ì¾Ú¥Î¨Ó²×¤î½u¸ô²°¤¤¤§«Ø¸m½u¸ô¤Î±N¸ÓºÝÂI³s±µ¦Ü¡u¤A¤Óºô¸ô®à¤W«¬¶°½u¾¹¡v ©Ò¨Ï¥Îªº¸Ë¸mÃþ«¬¡A¹qÆl¦w¸Ëªº¤è¦¡·|¦³©Ò¤£¦P¡C ¨ä©Ò«Ø¥ßªº³o¨Ç²×ºÝ¸Ë¸m¤Î³s½u´N¬O©Ò¿×ªº¥æ¤e³s±µ¡C
¦pªG±z¿ï¾Ü¨Ï¥Î«Ø¸m½u¸ô¡A½Ð½T©w½u¸ô²Å¦X"10BASE-T ¹qÆl¦w¸Ë³W®æ"¤¤©Ò¦Cªº³W®æ¡C ¦P¼Ë¦a¡A½Ð½T©w±ªO¤¤ªº±µÀY¤ÎÃìµ²°Ï¬q¤¤ªº¨ä¥¦¸Ë¸m¤]¨ã¦³»P¹qÆl¬Û¦Pªº«~½è¡C ¦H½èªº±µÀY®e©öµo¥Í°ÝÃD¡C
¦pªG±z±Nn¦w¸Ë·sªº«Ø¸m½u¸ô¡A½Ð¦Ò¼{¨Ï¥Î¹qÆl¦w¸Ëµ{¦¡¡A ±q¬Û¦Pªº¹qÆl´¡¼Ñ¨Ó³s±µª½³q¹qÆl¤Î¥æ¤e¹qÆl (¦pªG»Ýnªº¸Ü)¡C ³o¼Ë¥i¥H´î¤Öªý§Ü¤£²Åªº¥i¯à©Ê¡Aªý§Ü¤£²Å·|³y¦¨ºô¸ô¤¤ªº¶Ç¿é¿ù»~¡C ¦b¤GөΤGÓ¥H¤Wªº¥æ¤¬³s±µ¹qÆl¤§¶¡¡Aªý§Ü¤£²Å¬O¤@ºØ¯S®í®t²§¡C ÁöµM¥¦Ì²Å¦X¬Û¦Pªº³W®æ¡A¥i¬O¤£¦P¼tµPªº¹qÆl¤Î¤£¦P¼tµPªº´¡¼Ñ·|²£¥Í¨Ç³\¤£¦Pªºªý§Ü¡C
ª½³q¹qÆl¤Î¥æ¤e¹qÆlªº¤GºÝ³£»Ýn 8 ¤ä°wªº RJ-45 ¼Ò²Õ´¡ÀY¡C ¦b¬Y¨Ç±¡ªp¤U¡A«Ø¸m½u¸ôªº²×ºÝ¬O¦b¦³ RJ-45 ´¡ÀYªº½u¸ô²°¤¤¡C ¹Ï 4-11 ¥H¹Ï¨Ò»¡©ú RJ-45 ´¡ÀY¡C
¹qÆl¤¤ªº¤G±øÂùµ±½uªº²×ºÝ¡A¦p¹Ï 4-9 ¤Î ¹Ï 4-10©Ò¥Ü¡C ±z©Ò¨Ï¥Îªº¹qÆl¥]§t¤G¦Ü¥|±øÂùµ±½u¡A¦ý¬O 10BASE-T ºô¸ô¥u¨Ï¥Î¤G±øÂùµ±½u¡C ¥t¤G±øÂùµ±½uªº´¡¸}¦ì¸m«h¶·µø±z¨Ï¥Îªºª¬ªp¦Ó©w¡C
±ªO¤Wªº´¡®y±µÀY¤Î«Ø¸m½u¸ôºÝÂIªº¨ä¥¦¸Ë¸m¡A³£¥²¶·¨Ì¾Ú 10BASE-T ¼Ð·Ç¨Ó°t½u¡C ¥Î¦b¨º¨Ç±µÀY¤Wªº´¡¸}¤À§G»P¥Î¦bª½³q¹qÆl¤Wªº´¡ÀY¬Û¦P¡A¦p ¹Ï 4-9©Ò¥Ü¡C
¦pªG±zn«Ø¥ßª½³q¤Î¥æ¤e¹qÆl¡A½Ð½T©w¹qÆl¹ï¤¤ªºµ±½u¬O¨Ì±µÀY¨Ó«O¦sªº¡C ¦pªG¨S¦³¦n¦n«O¦sµ±½u¡A¥i¯à·|ªýê¶Ç¿é¡A¤]´N¬O©Ò¿×ªº½u¸ô¤zÂZ¡C
¹Ï 4-11. 10BASE-T ªº RJ-45 ¼Ò²Õ´¡ÀY
![]() |
AUI ¹qÆlªº¨ä¥¦¦WºÙ¬° ¦¬µo¾¹ ««¸¨¹qÆl ¤Î¦¬µo¾¹¹qÆl¡C ¦pªG±zn±N 016 «¬¡u¤A¤Óºô¸ô®à¤W«¬¶°½u¾¹¡vªº AUI ¹qÆl³s±µ¨ì 10BASE5¡B 10BASE2 ©Î 10BASE-F °Ï¬q¡A½Ð¨Ï¥Î AUI ¹qÆl¡C ¦pªG 016 «¬ªº¡u¤A¤Óºô¸ô®à¤W«¬¶°½u¾¹¡v»P©Òn³s±µªº 10BASE5¡B 10BASE2 ©Î 10BASE-F ¦¬µo¾¹«Ü±µªñªº¸Ü¡A±z¥i¥H±N¶°½u¾¹ ªº AUI ³s±µ°ðª½±µ³s±µ¨ì¦¬µo¾¹¤Wªº AUI ³s±µ°ð¡A ¦Ó¤£¶·¨Ï¥Î AUI ¹qÆl¡C
¦b«Ü¦h±¡ªp¤U¡A¶°½u¾¹³£¬O©ñ¦b 10BASE5 ¤Î 10BASE2 ºô¸ô¤¤ªº°Ï¬qºÝÂI¡C ¬Û¦Pªº§@ªk¤]¥iÀ³¥Î¦b¿ï¾ÜÅý¶¥¦¡±Æ¦Cªº¡u¤A¤Óºô¸ô®à¤W«¬¶°½u¾¹ 016 «¬¡v ³s±µ¨ì 10BASE5¡B10BASE2 ©Î 10BASE-F °Ï¬q¡C ¿ï¨ú¤@¶°½u¾¹¡A¸Ó¶°½u¾¹¦b¥Ñ¶¥¦¡±Æ¦C¤§¶°½u¾¹©Ò§Î¦¨ªº 10BASE-T ºô¸ô¤¤¡A ¦ì©ó³Ìªø¤§¸ô®|ªººÝÂI¤W¡C¨Ò¦p¦b¹Ï 4-4¤¤¡A ¶°½u¾¹ AA ¤Î DD ¤À§O¦ì©óºô¸ô¤¤³Ìªø¤§¸ô®|ªº¤GÓºÝÂI¤W¡C ¤£½×¬O AA ©Î DD¡A±z³£¥i¥H¿ï¨ú¡C
¦b¤@Ó¸s²Õªº¶¥¦¡±Æ¦C¶°½u¾¹¤¤¡A¥u¯à³s±µ¤@Ó¡u¤A¤Óºô¸ô®à¤W«¬¶°½u¾¹¡v ¦Ü³æ¤@ 10BASE5¡B10BASE2 ©Î FOIRL °Ï¬q¡C Y¦b¤@Ó¶¥¦¡±Æ¦Cªº¸s²Õ¤¤³s±µ¤@Ó¥H¤Wªº¶°½u¾¹¡A ·|²£¥Í¤@±ø¥¦æ¸ô®|¡A³q¨ì¥Ñ¶°½u¾¹©Ò§Î¦¨ªº 10BASE-T ºô¸ô¡C IEEE 802.3 ºô¸ô¤¤¡A¤£¤¹³\§@¥Î¤¤ªº¥¦æ¸ô®|¦s¦b¡C ¡u¤A¤Óºô¸ô®à¤W«¬¶°½u¾¹ 016 «¬¡vªº AUI ³s±µ°ð±µÀY¬°¦³ 15 Ó´¡¸}ªº D ¥À±µÀY¡A »P IEEE Standard 802.3 10BASE5 ¬Û²Å¦X¡C ¦¹±µÀYªþ¦³·Æ°Ê¦¡ ¬Âê¡C ¹Ï 4-13 ¥H¹Ï¨Ò»¡©ú·Æ°Ê¦¡¬Âê¡C
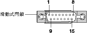
¦b¹qÆlªº¡u¤A¤Óºô¸ô®à¤W«¬¶°½u¾¹ 016 «¬¡v¨º¤@ºÝªº AUI ¹qÆl±µÀY¡A ¥²¶·¬O¦³ 15 Ó´¡¸}ªº D ¥À±µÀY¡A¥B¥²¶·¦³Âê©w¸Ë¸m¡C ¹qÆlªº¤@ºÝn³s±µ¦Ü¶°½u¾¹ªº AUI ³s±µ°ð¡A¦Ó¥t¤@ºÝn³s±µ¨ì¤U¦C¨ä¤¤¤@ºØ¸Ë¸m¡G
AUI ¹qÆl¥t¤@ºÝ¤Wªº±µÀY¥²¶·»P ¦¬µo¾¹ªº AUI ³s±µ°ð©Î¬O¨ä©Òn³s±µªºÂà´«¾¹¬Û®e¡C ¹Ï 4-12¥H¹Ï¨Ò»¡©ú³oºØ³s±µ¡C
¹Ï 4-12. ¤A¤Óºô¸ô®à¤W«¬¶°½u¾¹ 016 «¬³s±µ¦Ü¤£¦Pªº¹qÆl¦w¸Ë«¬Ãþ
![]() |
¹Ï 4-13 ¤Î ªí 4-4 »¡©ú PIN ªº«ü©w¡A¥H¨Ñ¡u¤A¤Óºô¸ô®à¤W«¬¶°½u¾¹ AUI ³s±µ°ð¡v¨Ï¥Î¡C ¦pªG±z·Q¨ú±o AUI ¹qÆl¡A½Ð¨Ï¥Î¦¹¸ê°T¡C
¹Ï 4-13. ¤A¤Óºô¸ô®à¤W«¬¶°½u¾¹ 016 «¬ AUI ³s±µ°ð
![]() |
ªí 4-4. ¤A¤Óºô¸ô®à¤W«¬¶°½u¾¹ AUI ³s±µ°ð±µÀYªº PIN «ü©w
| PIN ¸¹½X | «H¸¹¦WºÙ | »¡©ú |
|---|---|---|
| 3 | DO-A | ¸ê®Æ¿é¥X¹q¸ô A |
| 10 | DO-B | ¸ê®Æ¿é¥X¹q¸ô B |
| 11 | DO-S | ¸ê®Æ¿é¥X¹jÂ÷ |
| 5 | DI-A | ¸ê®Æ¿é¤J¹q¸ô A |
| 12 | DI-B | ¸ê®Æ¿é¤J¹q¸ô B |
| 4 | DI-S | ¸ê®Æ¿é¤J¹q¸ô¹jÂ÷ |
| 7 | CO-A | ±±¨î¿é¥X¹q¸ô A |
| 15 | CO-B | ±±¨î¿é¥X¹q¸ô B |
| 8 | CO-S | ±±¨î¿é¥X¹q¸ô¹jÂ÷ |
| 2 | CI-A | ±±¨î¿é¤J¹q¸ô A |
| 9 | CI-B | ±±¨î¿é¤J¹q¸ô B |
| 1 | CI-S | ±±¨î¿é¤J¹q¸ô¹jÂ÷ |
| 6 | VC | ¤@¯ë¹qÀ£ |
| 13 | VP | ¼W¥[¹qÀ£ |
| 14 | VS | ¹qÀ£¹jÂ÷ |
| Shell | PG | «OÅ@¥Î±µ¦a |
µL½×±z¬On¥Î¡u¤A¤Óºô¸ô®à¤W«¬¶°½u¾¹¡v¨Ó«Ø¥ß·sªººô¸ô¡A ©Î¬On¦b²{¦sªººô¸ô¤W·s¼W¶°½u¾¹¡A±z³£n¥H¤å¥ó°O¸üºô¸ô©Ý¾ë (¹êÅé§G¸m)¡C »s§@¤@Ó ºô¸ô¤jºõ¡A»¡©ú¨ä©Òn³s±µªº¶°½u¾¹¡B¹qÆl¤Î¸Ë¸m¡C ¦pªG±zn±N¥ô¦ó¡u¤A¤Óºô¸ô®à¤W«¬¶°½u¾¹ 016 «¬¡v³s±µ¦Ü 10BASE5¡B 10BASE2 ©Î 10BASE-F °Ï¬q¡A½Ð¦b±zªº¤jºõ¤¤¨Ö¤J¨º¨Ç°Ï¬q¤Î°Ï¬q¤¤ªº©Ò¦³¶°½u¾¹¡C ¦pªGn±N¥ô¦ó¥æ¤e¹qÆl³s±µ¦Ü¶°½u¾¹¡A½Ð±N¥æ¤e¹qÆl»Pª½³q¹qÆl¤ÀÃþ°O¸ü¦b¤jºõ¤¤¡C ¥t¥~¡A¥un¬O±z»{¬°¹ï¦w¸Ë¡u¤A¤Óºô¸ô®à¤W«¬¶°½u¾¹¡v¦³À°§Uªº¨ä¥¦¬ÛÃö¸ê°T¡A ¤]³£n¨Ö¤J¤jºõ¤¤¡C
¥»®Ñ¤¤´£¨ì½Ð±z°Ñ¦Ò IBM ²£«~¡Bµ{¦¡©ÎªA°È¶µ«~¡A¨Ã¤£ªí¥Ü IBM ¤½¥q¦³·N±N³o¨Ç ¶µ¥Ø¦b¨ä¥L³]¦³ IBM ¾ÚÂIªº°ê®aµo¦æ¡C¥ô¦ó¹ï IBM ±ÂÅv²£«~¡Bµ{¦¡©ÎªA°È¶µ¥Øªº°Ñ¦Ò ¸ê®Æ¡A¤]¨S¦³©ú¥Ü©Î·t¥Ü¥u¯à¨Ï¥Î¸Ó¶µ IBM ²£«~¡Bµ{¦¡©ÎªA°È¶µ¥Ø¡C ¥ô¦ó¥\¯à¬Û·íªº²£«~¡Bµ{¦¡©ÎªA°È¶µ¥Ø¡A¥un¤£«I¥Ç¥ô¦ó IBM ªº´¼¼z°]²£Åv¡A³£¥i¥H ´À¥N IBM ²£«~¨Ï¥Î¡C¦ý¬O±z¹ïÁp¦X¨Ï¥Î¨ä¥L²£«~ (°£«D¥Ñ IBM ©ú½T«ü©wªº²£«~) ©Ò°µªºµû¦ô©MÅçÃÒ¡AIBM ¤@«ß¤£t³d¡C
¦b³o¥»®Ñ©Î¤å¥ó¤¤¥]§tµÛ IBM ©Ò¾Ö¦³¤§±M§Q©Î¼Èã±M§Q¡C¨Ï¥ÎªÌ¤£±o¨É¦³¥»®Ñ¤º®e¤§±M§QÅv¡C ±z¥i¥H¥Î®Ñ±¤è¦¡¨Ó¬d¸ß¯S³\Åv¡A¨Ó¨ç½Ð±H¨ì¡G IBM ¤½¥q ¥x¥_¥«°ò¶©¸ô¤@¬q 206 ¸¹ 17 ¼Ó ¤¤¤å§Þ¬ã¤¤¤ß¡C
¹ï©ó¥»®Ñªº½u¤Wª©¥»¡AIBM ±ÂÅv¡G
±zt¦³t¾áµ|ª÷ªº³d¥ô¡A¥]¬A¦]±ÂÅv¦Ó³y¦¨ªº¨p¤Hª««~µ|ª÷¡C
¡u¥»¦X¬ù¤§«OÃÒ¨ú¥N¨ä¥L©Ò¦³©ú¥Ü©ÎÀq¥Üªº«OÃÒ (¥]¬A¦ý¤£©ó¥i°â©Ê¤Î²Å¦X ¯S©w®Ä¥Î¤§«OÃÒ)¡C¡v
Õªk«ß³W©w¤£±o±NÀq¥Ü¤§«OÃұư£¡A¤Wz°£¥~±ø´Ú«h¤£¾A¥Î¡C
Y±zµLªk²Å¦X¤Wz±ø´Ú®É¡A±z¶·²×¤î¨Ï¥Î¥»¤å¥ó¡C ²×¤î¨Ï¥Î®É¡A«h±z¥²¶·¾P·´¾÷¾¹¥i§PŪªº¤å¥ó¡C
This IBM product is made to high safety standards. It complies inherently with telecommunications safety standard BS 6301. It is not designed to provide protection from excessive voltages appearing externally at its interfaces. Therefore, when this product is connected to a public telecommunications network via any other equipment, and you connect to this product items not supplied by IBM United Kingdom Ltd., you must comply with mandatory telecommunications safety requirements.
This apparatus is approved under approval number NS/G/1234/J/100003 for indirect connections to the public telecommunications systems in the United Kingdom.
| µù: | This equipment has been tested and found to comply with the limits for a
Class B digital device, pursuant to Part 15 of the FCC Rules. These limits are
designed to provide reasonable protection against harmful interference in a
residential installation. This equipment generates, uses, and can radiate
radio frequency energy and, if not installed and used in accordance with the
instructions, may cause harmful interference to radio communications. However,
there is no guarantee that interference will not occur in a particular
installation. If this equipment does cause harmful interference to radio or
television reception, which can be determined by turning the equipment off and
on, the user is encouraged to try to correct the interference by one or more
of the following measures:
|
Properly shielded and grounded cables and connectors must be used in order to meet FCC emission limits. Proper cables and connectors are available from IBM authorized dealers. IBM is not responsible for any radio or television interference caused by using other than recommended cables and connectors or by unauthorized changes or modifications to this equipment. Unauthorized changes or modifications could void the user's authority to operate the equipment.
This device complies with Part 15 of the FCC Rules. Operation is subject to the following two conditions: (1) this device may not cause harmful interference, and (2) this device must accept any interference received, including interference that may cause undesired operation.
This Class B digital apparatus complies with Canadian ICES-003.
Cet appareil numérique de la classe B est conform à la norme NMB-003 du Canada.
This product is in conformity with the protection requirements of EU Council Directive 89/336/EEC on the approximation of the laws of the Member States relating to electromagnetic compatibility. IBM cannot accept responsibility for an failure to satisfy the protection requirements resulting from a non-recommended modification of the product, including the fitting of non-IBM option cards.
This product has been tested and found to comply with the limits for Class B Information Technology Equipment according to CISPR 22/European Standard EN 55022. The limits for Class B equipment were derived for typical residential environments to provide reasonable protection against interference with licensed communication devices.
Zulassungsbescheinigung laut dem Deutschen Gesetz über die elektromagnetische Verträglichkeit von Gerãten (EMVG) vom 30. August 1995 (bzw. der EMC EG Richlinie 89/336).
Dieses Gerät ist berechtigt in Übereinstimmung mit dem deutschen EMVG das EG-Konformitätszeichen - CE - zu führen.
Verantwortlich für die Konformitätserklärung nach Paragraph 5 des EMVG ist die IBM Deutschland Informationssysteme GmbH, 70548 Stuttgart.
Informationen in Hinsicht EMVG Paragraph 3 Abs. (2) 2:
| Das Gerät erfüllt die Schutzanforderungen nach EN 50082-1 und EN 55022 Klasse B. |
EN 50082-1 Hinweis
"Wird dieses Gerät in einer industriellen
Umgebung betrieben (wie in EN 50082-2 festgelegt), dann kann es dabei
eventuell gestört werden. In solch einem Fall ist der Abstand bzw. die
Abschirmung zu der industriellen Störquelle zu vergrößern."
Anmerkung
Um die Einhaltung des EMVG sicherzustellen sind die Geräte,
wie in den IBM Handbüchern angegeben, zu installieren und zu betreiben.
This product is a Class B Information Technology Equipment and conforms to the standards set by the Voluntary Control Council for Interference by Technology Equipment (VCCI). This product is aimed to be used in a domestic environment. When used near a radio or TV receiver, it may become the cause of radio interference. Read the instructions for correct handling.

IBM ¬O IBM ¤½¥q¦b¬ü°ê©Î¨ä¥¦°ê®a©Î¨âªÌ©Ò¨Ï¥Îªºµù¥U°Ó¼Ð¡C
Microsoft¡BWindows¡BWindows NT ¤Î Windows 95 ¼Ð»x¬O Microsoft Corporation ªº°Ó¼Ð©Îµù¥U°Ó¼Ð¡C
¨ä¥¦¤½¥q¦WºÙ¡B²£«~¦WºÙ¤ÎªA°Èµ{¦¡¦WºÙ¥i¯à¬O¨ä¥¦¤½¥qªº°Ó¼Ð©ÎªA°È¼Ð°O¡C
IBM ¨Ì¥»¦X¬ù©Ò´£¨Ñªº«OÃÒ¥u¾A¥Î©ó ¶Q«È¤áì©lÁÊ¦Û IBM ©Î¨äÂà¾P°Ó¡B ¨Ñ¦Û¤v¨Ï¥Î¡A¦Ó«D¨ÑÂà°âªº¾÷¾¹¡C ¡u¾÷¾¹¡v«Y«ü IBM ¾÷¾¹¡B¨äÂà´«¸Ë¸m¡B ´£ª@³]³Æ¡B¤¸¥ó¡Bªþ¥ó©Î¨ä¥ô¦ó²Õ¦X¡C³o¨Ç±ø´Ú¥u¦³·í ¶Q«È¤á¬O¦b¤¤µØ¥Á°ê ¥xÆW¦a°ÏÁʶR¾÷¾¹®É¤~¾A¥Î¡C¦pªG¦³¥ô¦ó°ÝÃD¡A½ÐÁpµ¸ IBM ©Î¨äÂà¾P°Ó¡C
*¤¸¥ó¤Îªþ¥ó¥u«OÃÒ¤TÓ¤ë¡C¦³Ãö«OÃÒªA°È¸ê°T¡A½ÐÁpµ¸±zªºÁʶR¼t°Ó¡C |
¥Í²£ª¬ªp
¨C³¡¾÷¾¹³£¬O¥H¥þ·s¡A©Î¥\¯à¬Ûµ¥¤§¹s¥ó©Ò»s³y¤§·s«~¡C ¬Y¨Ç±¡ªp¤U¡A¾÷¾¹¥i¯à¤£¬O¥þ·s¡A¥B¤w¸g¦w¸Ë¹L¡C ¤£ºÞ¾÷¾¹ªº¥Í²£ª¬ªp¬°¦ó¡A¤´¾A¥Î¥»«OÃÒ±ø´Ú¡C
IBM «OÃÒ
IBM «OÃÒ¨C³¡¾÷¾¹ 1) §¡µL§÷®Æ¤Î»s³y¤W¤§·å²«¡A2) ²Å¦X IBM ªº³W®æ®Ñ©Ò¸ü¤§³W®æ (Official Published Specifications)¡C IBM ¦Û¾÷¾¹¦w¸Ë§¹¦¨¤é¶}©l°_ºâ«OÃÒ´Á¶¡¡C ¶Q«È¤á¦¬¾Ú¤Wªº¤é´Á§Y¦w¸Ë§¹¦¨¤é¡A°£«D IBM ©Î¨äÂà¾P°Ó¥t¦æ³qª¾¡C
¦b«OÃÒ´Á¶¡¡AIBM ©Î¨äÂà¾P°Ó±N¹ï¾÷¾¹´£¨Ñ«ü©úªA°ÈÃþ«¬¤§«OÃÒªA°È¡A ¨Ã¹ï¾A¥Î¾÷¾¹´£¨Ñ¤uµ{µ¥¯ÅºÞ²z¤Î¦w¸ËªA°È¡C IBM ©Î¨äÂà¾P°Ó±N·|«ü©wªA°ÈÃþ«¬¡C
¹ï©ó»P¾÷¾¹Åܧó©Î´£ª@¦³Ãöªº³]³Æ (§t¥[¸Ë¤§¯S®í¸Ë¸m)¡AIBM ©Î¨äÂà¾P°Ó±o n¨D©Ò¦w¸Ë¤§¾÷¾¹¥²¶·¬O 1) «ü©w§Ç¸¹ªº¾÷¾¹¡A2) »P¸Ó³]³Æ¤§¤uµ{µ¥¯Å¬Û®e¡C ¤Wz³]³Æ¦p¬°¡u²b»ù³]³Æ¡v®É¡A«h¥»¦¸¥æ©ö¥i¯à§t¦³¼W¥[¹s¥ó¤Î´«¸Ë¬ÛÃö¹s¥ó©Î³]³Æ¡C ³o¨Ç¹s¥ó©Î³]³Æ¬O°ò©ó¥æ´«ªº«e´£¤U¦Ó´£¨Ñµ¹±z¡C ©Ò¦³²¾°£ªº¹s¥ó©Î³]³Æ¤§©Ò¦³Åv²¾Âà¥B¥²¶·ÂkÁÙ¤© IBM¡C
·s§ó´«²Õ¥ó±NÄò¥Î´«±¼²Õ¥ó©Ò³Ñªº«OÃÒ´Á¡C
¦pªG¾÷¾¹¥\¯à¦b«OÃÒ´Á¤ºµLªk²Å¦X¨ä³W®æ¡AIBM ©Î¨äÂà¾P°Ó±N§K¶O´£¨Ñ×´_©Î§ó´«ªA°È («ü´«¦¨¦Ü¤Ö¥\¯à¬Û·íªº¾÷¾¹)¡C ¦pªG IBM ©Î¨äÂà¾P°ÓµLªk´£¨Ñ³oºØªA°È¡A ¶Q«È¤á±o±N¾÷¾¹°h¦^ì¨Ñ³f°Ó¡A¨Ã¨ú¦^ì¥I´Ú¶µ¡C
¦pªG ¶Q«È¤á±N¾÷¾¹ÂàÅýµ¹¨ä¥L¨Ï¥ÎªÌ¡A«h©ó«OÃÒ´Á¶¡¤º¡A¾÷¾¹¤§«OÃÒ¥çÀH¤§ ²¾Âऩ¸Ó¨Ï¥ÎªÌ¡C¶Q«È¤áÀ³±NÁʶRÃÒ©ú¤Î¥»¦X¬ù¤@¨Ö¥æ¤©¸Ó¨Ï¥ÎªÌ¡C
¦pªG ¶Q«È¤á»Ýn¡u¾÷¾¹¡v«OÃÒªA°È¡A½Ð¬¢¸ß IBM ©Î¨äÂà¾P°Ó¡C
¨Ì¾Ú¾÷¾¹Ãþ«¬¡AªA°È¥i¯à¬O 1) ¦b ¶Q«È¤á³B (ºÙ¬°¡u¨ì³õ¡v) ©Î ¦b IBM ©Î¨äÂà¾P°Óªººûפ¤¤ß (ºÙ¬°¡u«È¤á°eסv) ¤§¡uײzªA°È¡v¡A ©Î¬O 2) ¡u¨ì³õ¡v©Î¡u«È¤á°eסv¤§¡u§ó´«ªA°È¡v¡C
·íªA°È¯A¤Î§ó´«¾÷¾¹¤§¥þ³¡©Î³¡¤À®É¡A³Q§ó´«¤§«Ý׳¡¤ÀÂk IBM ©ÎÂà¾P°Ó©Ò¦³¡A §ó´««á¤§³¡¤À«hÂk ¶Q«È¤á©Ò¦³¡C §ó´«³¡¤À¦p«D·s«~¡A¨ä¥\¯à¥²¤£§C©óì¨Ó¤§¥\¯à¡C
¶Q«È¤á¶·¦P·N¡G
«OÃÒ½d³ò
IBM ¤£«OÃÒ¾÷¾¹µ´¤£¤¤Â_©Î¥þµL¿ù»~¡C
°£«D IBM ¯S§O«ü©ú¡A§_«h IBM ¹ï©ó«D IBM ¾÷¾¹¥u¥H¡u²{ª¬¡v´£¨Ñ¡C¦ý¬O¡A «D IBM »s³y°Ó¥i¯à·|¥t¥~´£¨Ñ±z¬ÛÃö«OÃÒ¡C
¡u¾÷¾¹¡vY¦] ¶Q«È¤á¨Ï¥Î¤£·í¡B¦Û¦æºûÅ@¤£·í¡B¹êÅé©Î¹B§@Àô¹Ò¤£¨}¡B ·N¥~¡B¦]«D IBM t³d¤§²£«~¦Ó¾ÉP²§±`¡A¾Õ¦Û°£¥h©Î§ó°Ê¡u¾÷¾¹¡v ©Î¹s¥óªºÃѧO¼ÐÅҪ̡A³à¥¢«OÃÒÅv¯q¡C
¡u¥»¦X¬ù¤§«OÃÒ¨ú¥N¨ä¥L©Ò¦³©ú¥Ü©ÎÀq¥Üªº«OÃÒ (¥]¬A¦ý¤£©ó¥i°â©Ê¤Î²Å¦X ¯S©w®Ä¥Î¤§«OÃÒ)¡CÕªk«ß³W©w¤£±o±Æ°£Àq¥Üªº«OÃÒ¡A¤Wz°£¥~±ø´Ú«h¤£¾A¥Î¡A ±©¸ÓÀq¥Ü¤§«OÃÒ¶È©ó«OÃÒ´Á¤º¦³®Ä¡C¡v
Yªk«ß³W©w¤£±o±Æ°£Àq¥Üªº«OÃÒ´Á¡A¤Wz°£¥~±ø´Ú«h¤£¾A¥Î¡C
³d¥ô¨î
¦] IBM ¹H¬ù©Î¨ä¥L¥iÂk³d¨Æ¥Ñ¡AP ¶Q«È¤á±o¦V IBM ´£¥X·l®`½ßÀv¤§½Ð¨D®É¡A µL½× ¶Q«È¤á°ò©ó¦óºØÅv§Q½Ð¨D½ßÀv (¥]¬A«¤j¹H¬ù¡B²¨©¿¡B¤£¹ê³¯z)¡A IBM ªº½ßÀv³d¥ô¶È©ó¡G
¤U¦C¥ô¦ó±¡ªp¡AIBM ¬Ò¤£t³d¥ô¡G
Õªk«ß³W©w¤£±o±Æ°£©Î¨î½ßÀv³d¥ô®É¡A«h¸Ó±Æ°£©Î¨îµL®Ä¡C
This warranty gives you specific legal rights and you may also have other rights which vary from jurisdiction to jurisdiction.